| [ 索引号 ] | 11500113MB1960097D/2024-00037 | [ 发文字号 ] | |
| [ 主题分类 ] | 其他 | [ 体裁分类 ] | 其他 |
| [ 发布机构 ] | 巴南区住房城乡建委 | [ 有效性 ] | |
| [ 成文日期 ] | 2024-07-17 | [ 发布日期 ] | 2024-07-17 |
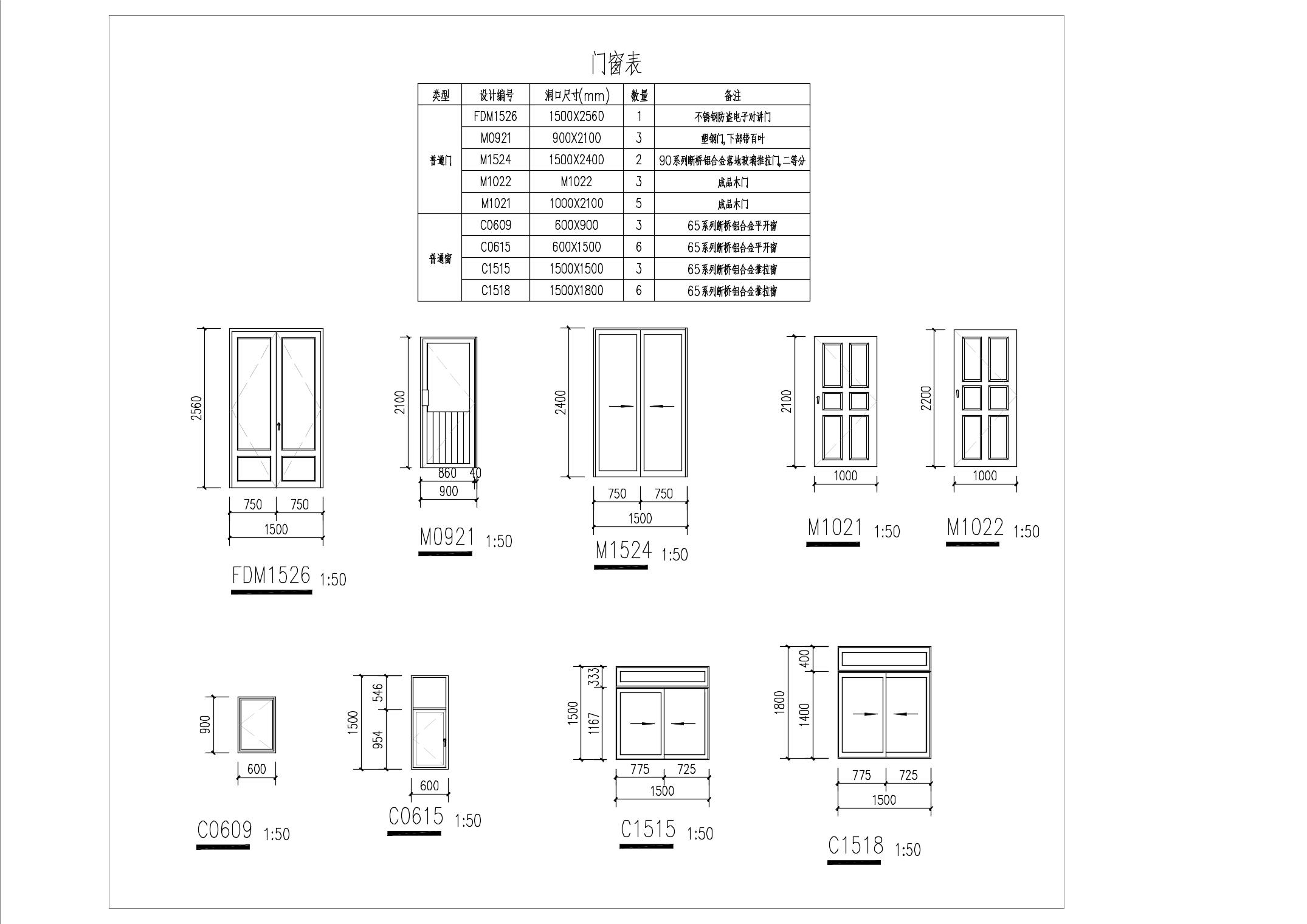
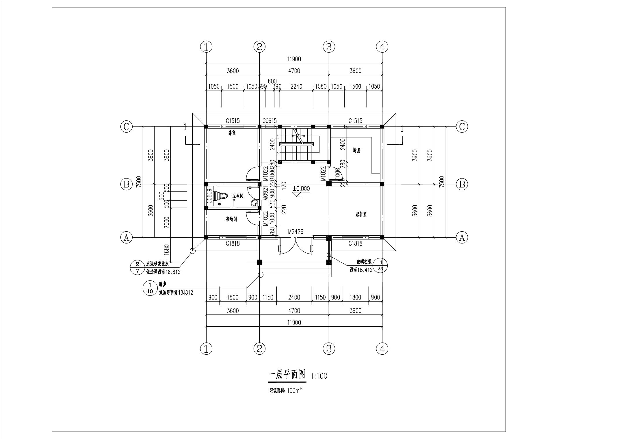
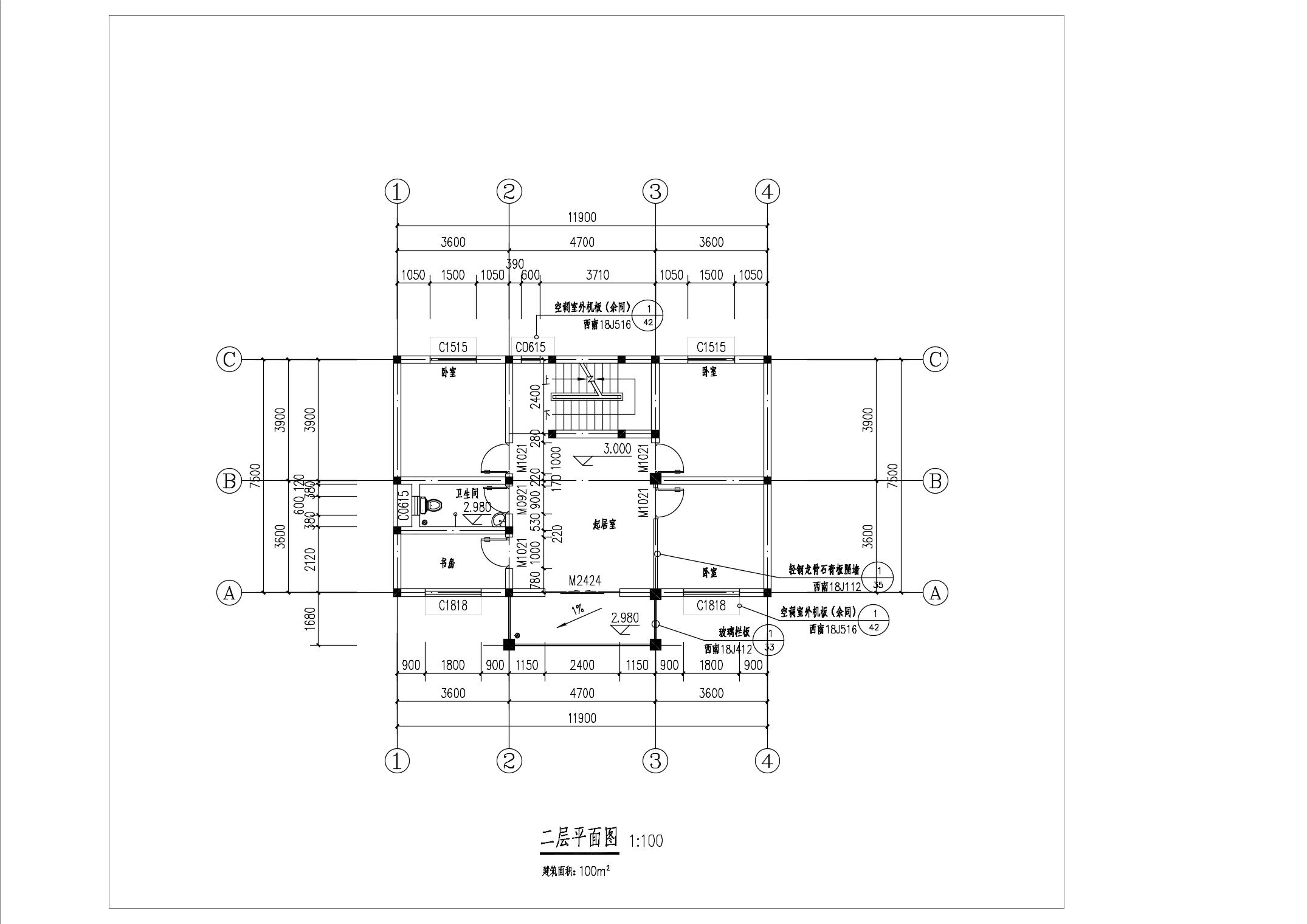
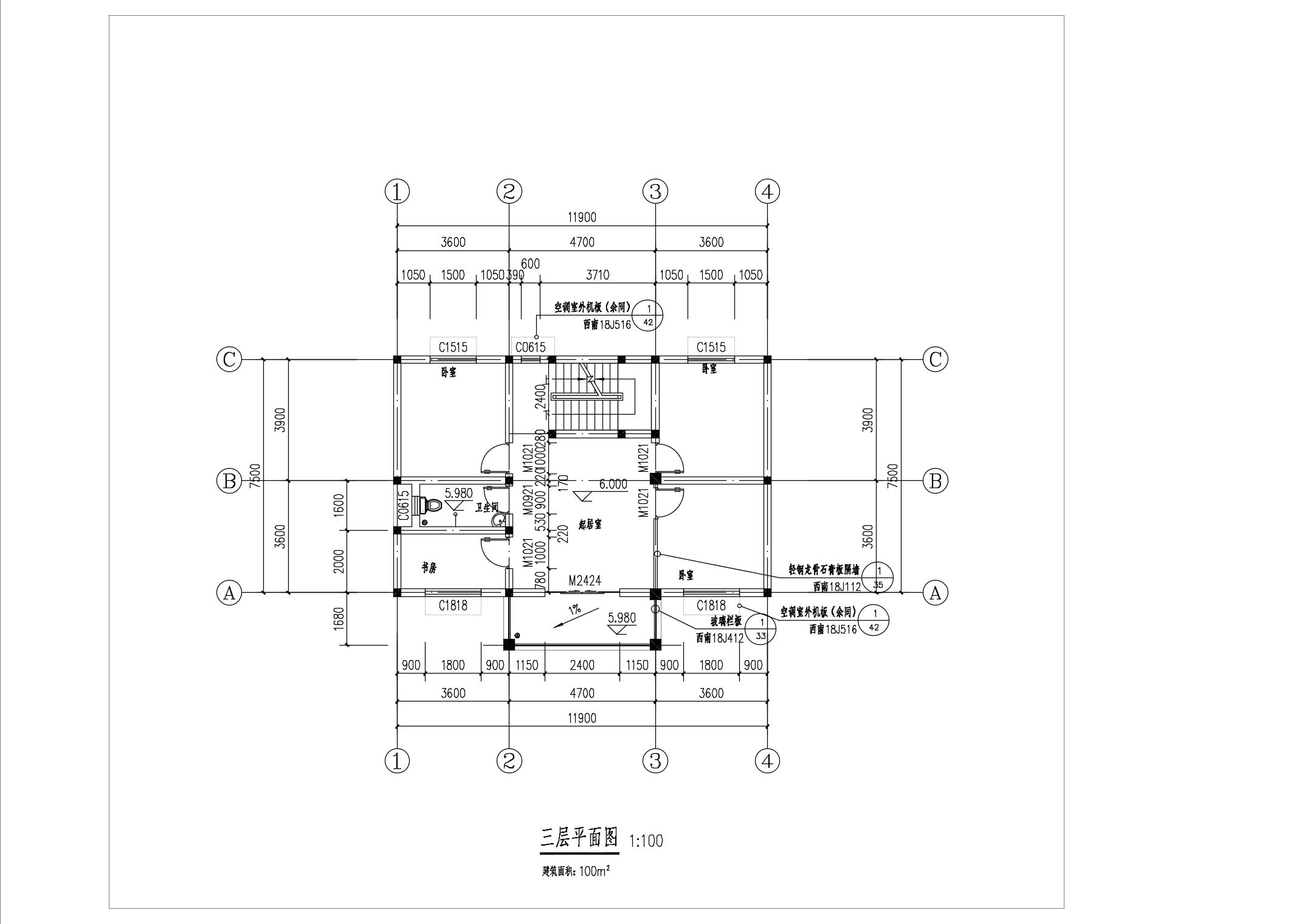
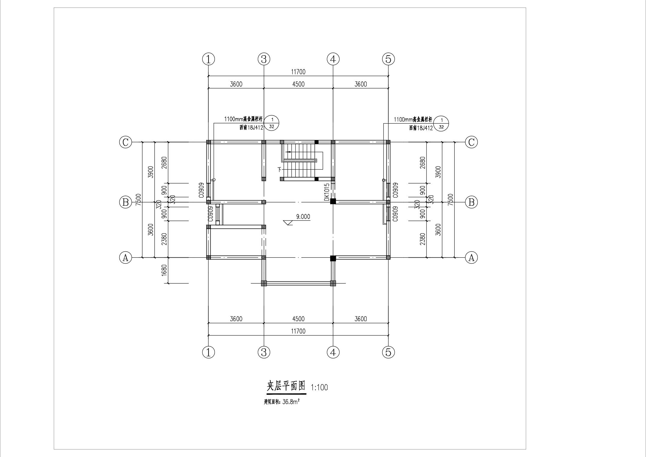
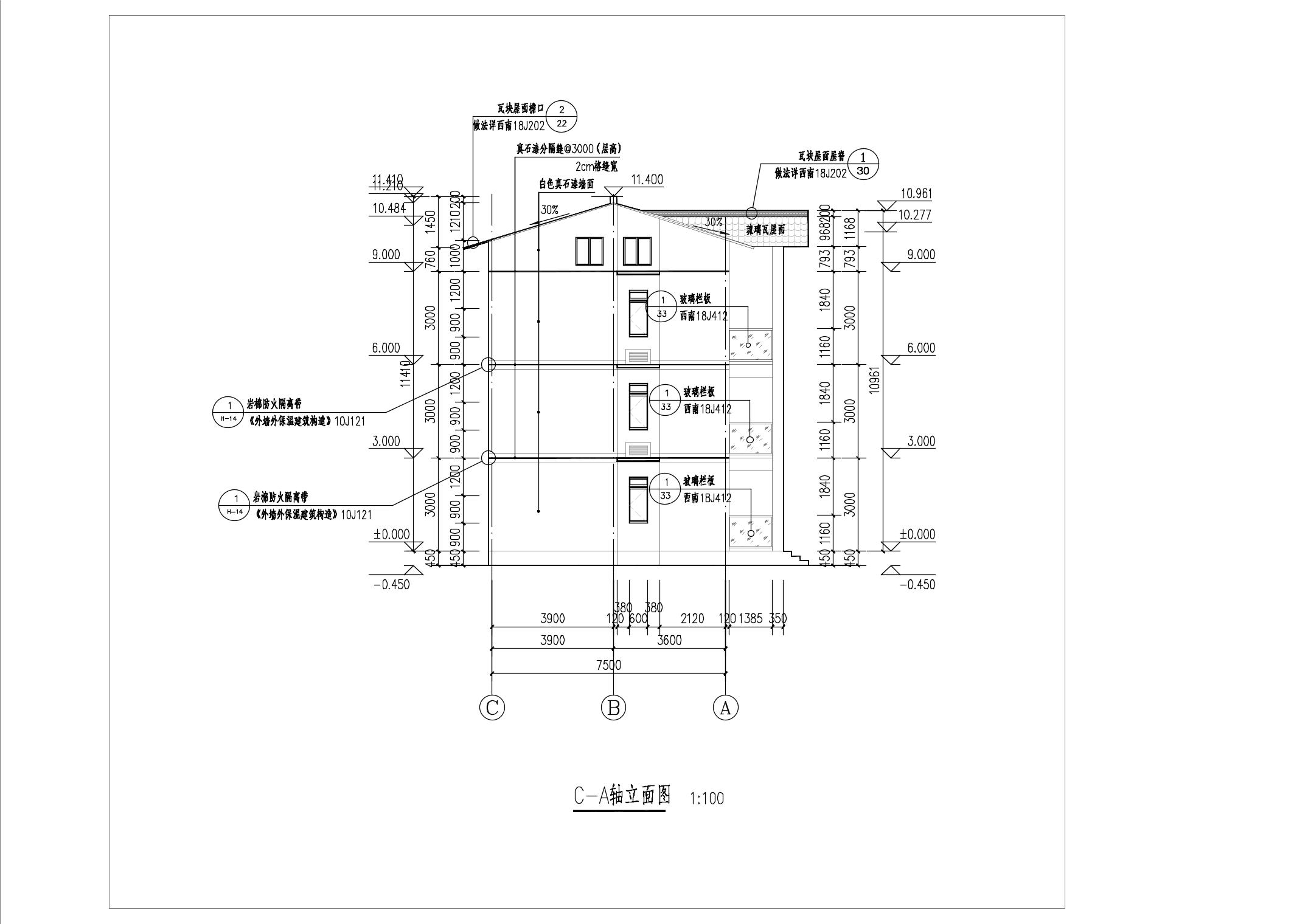
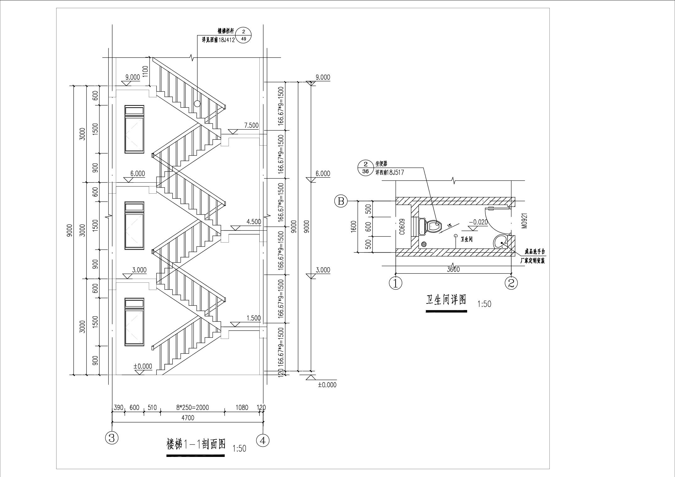
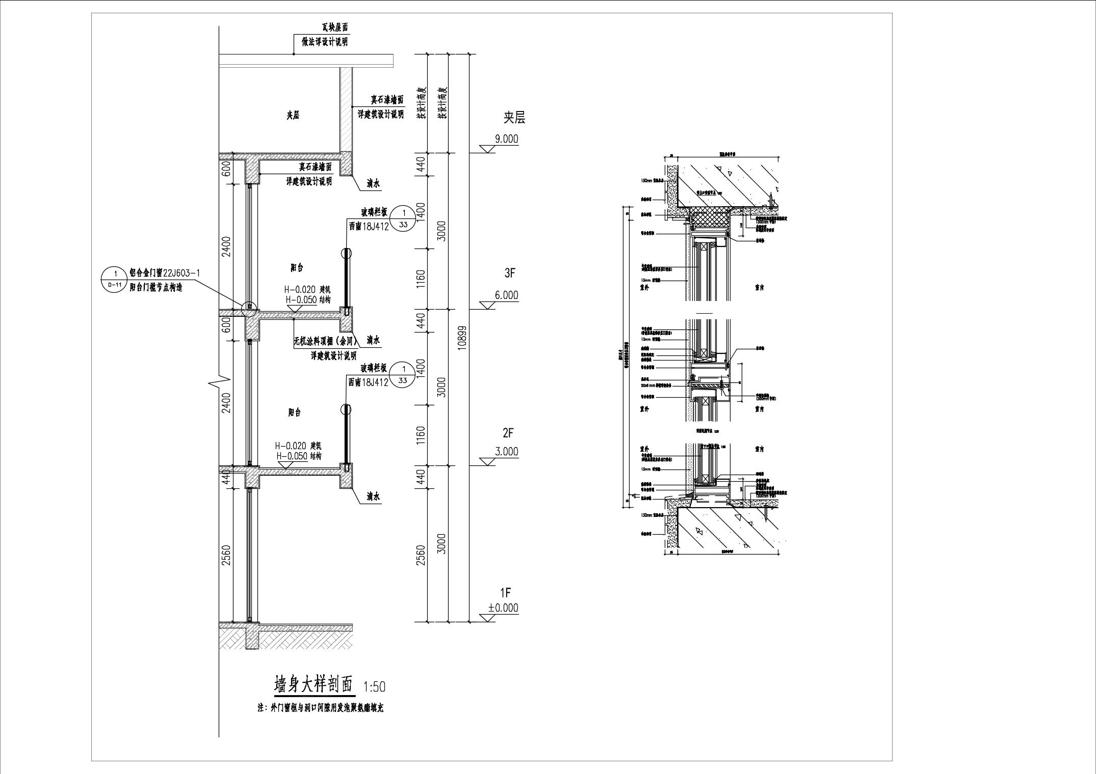
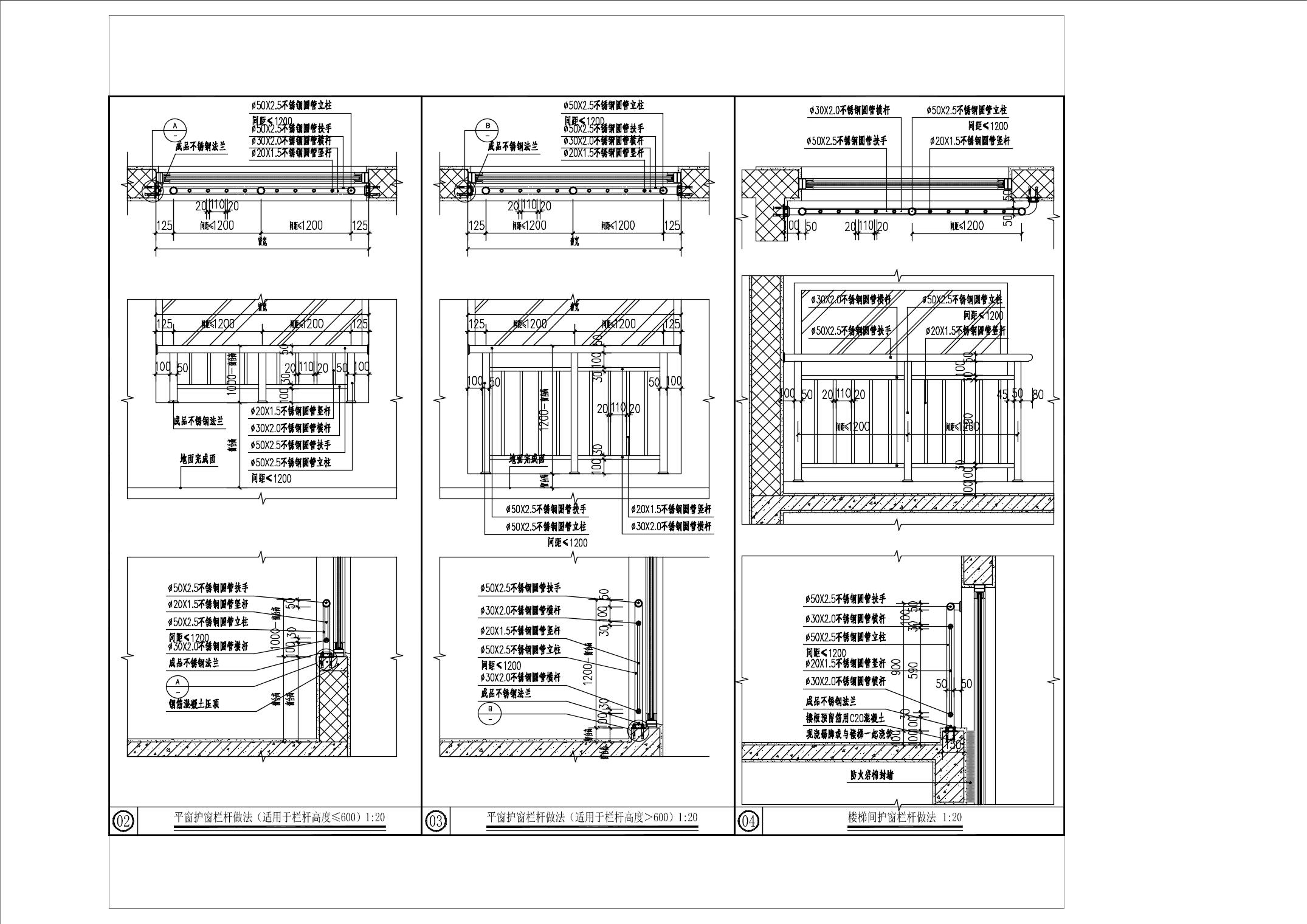
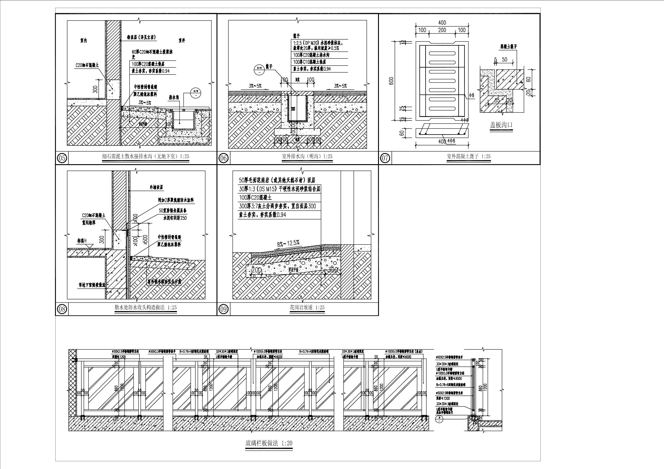
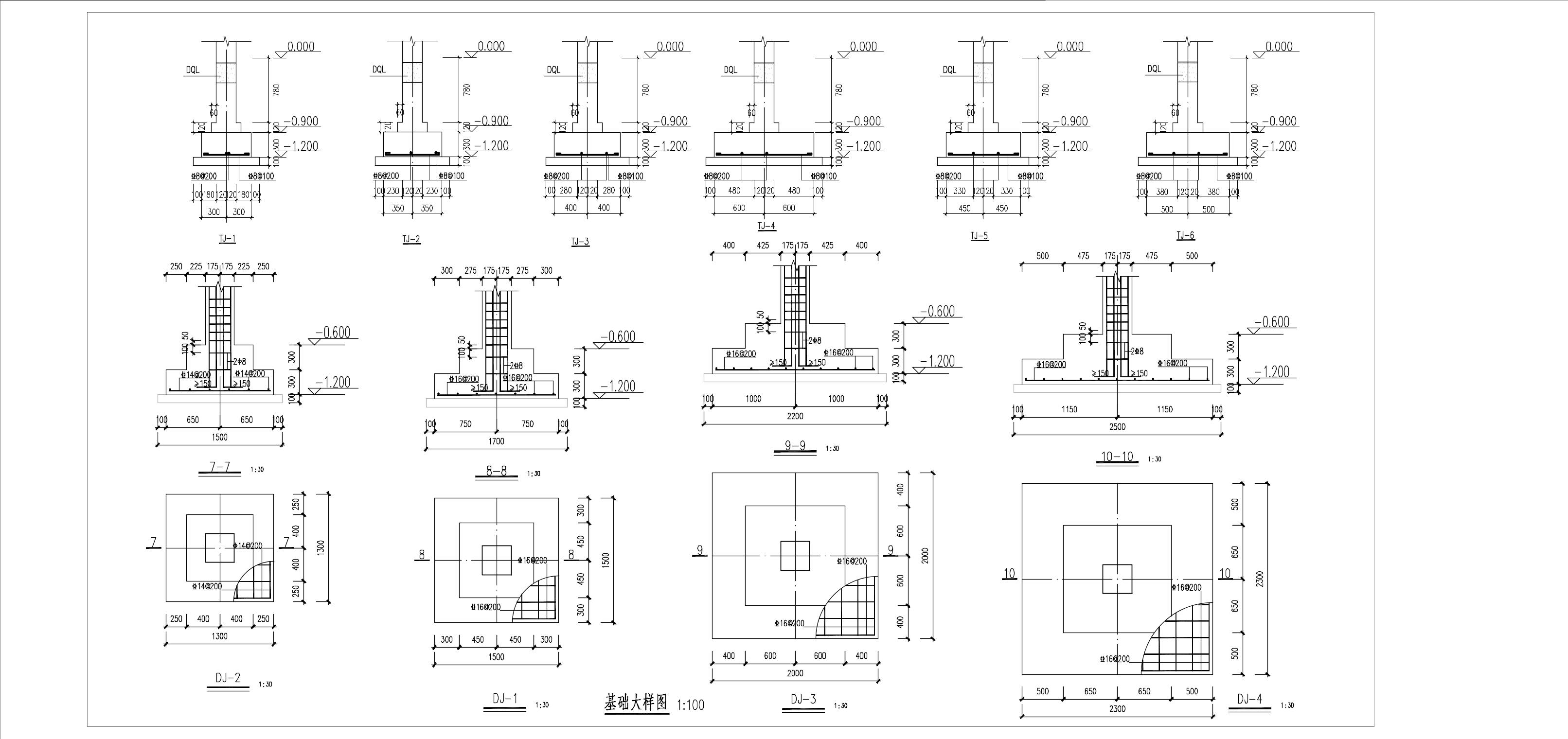
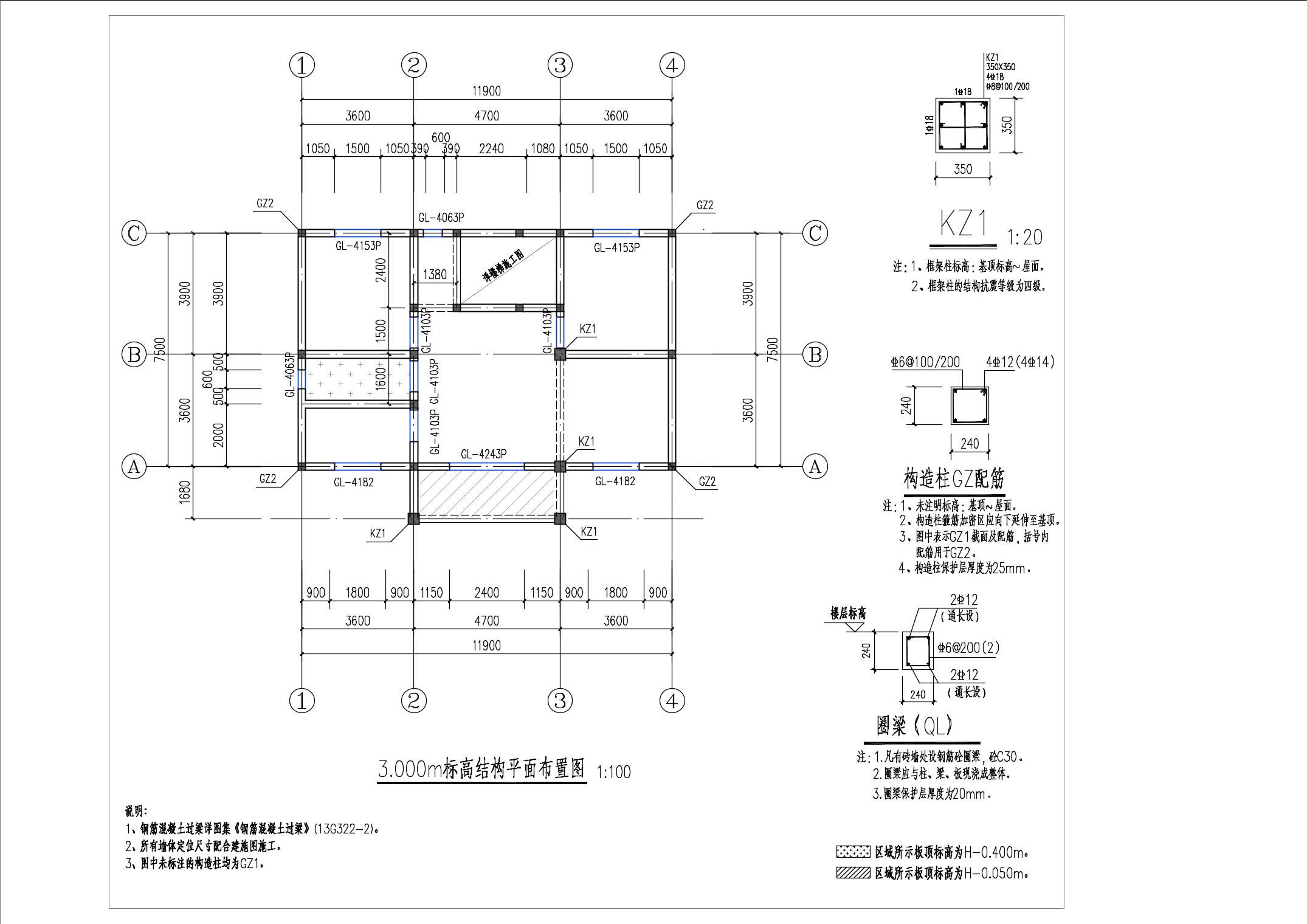
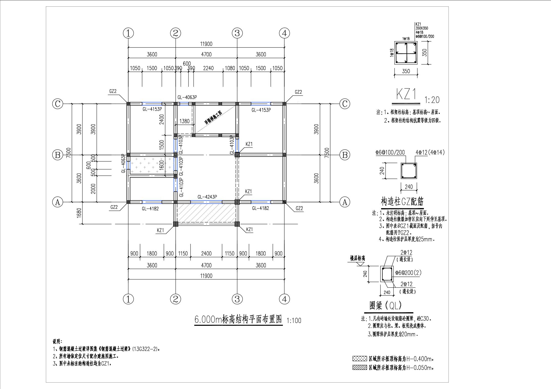
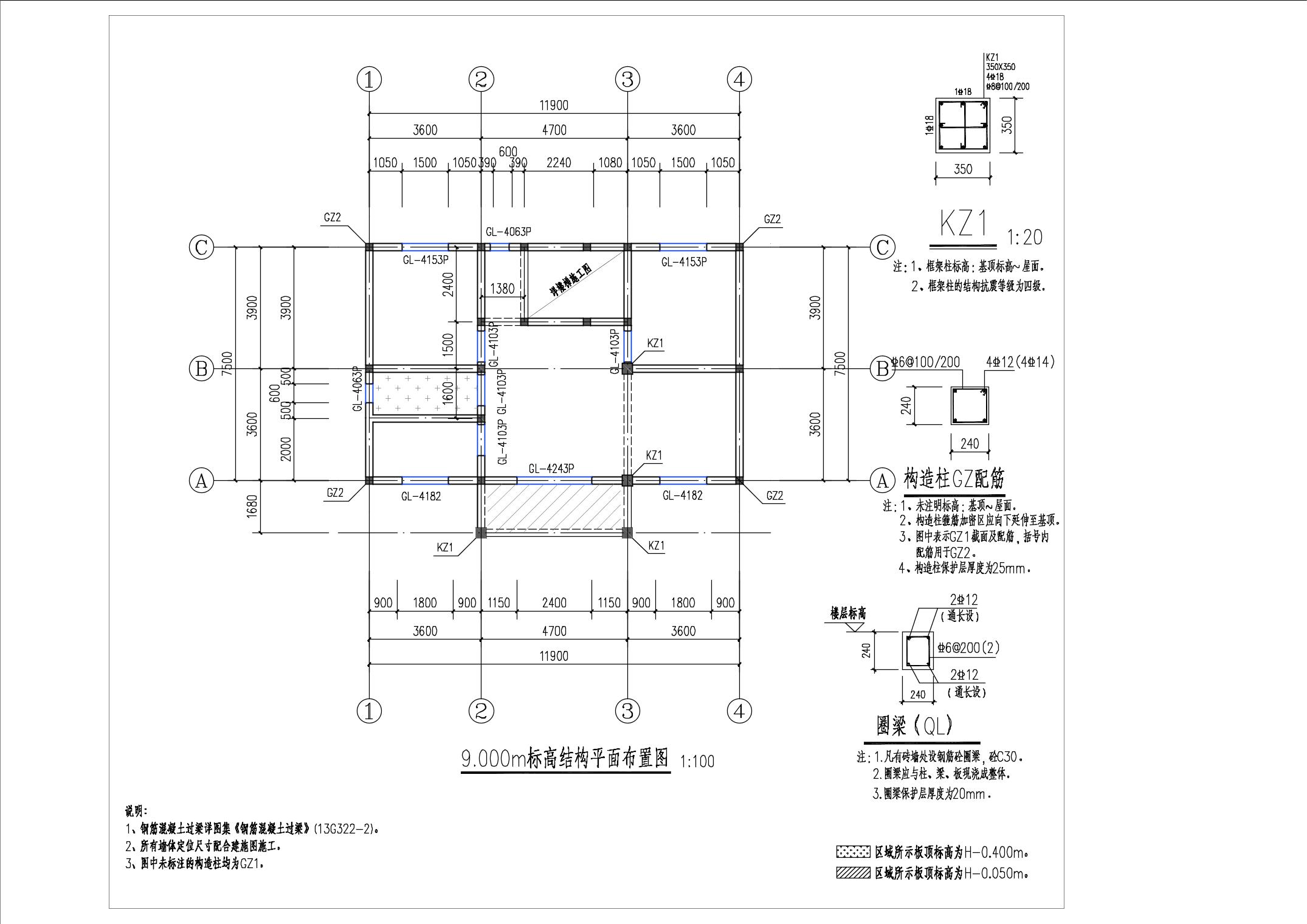
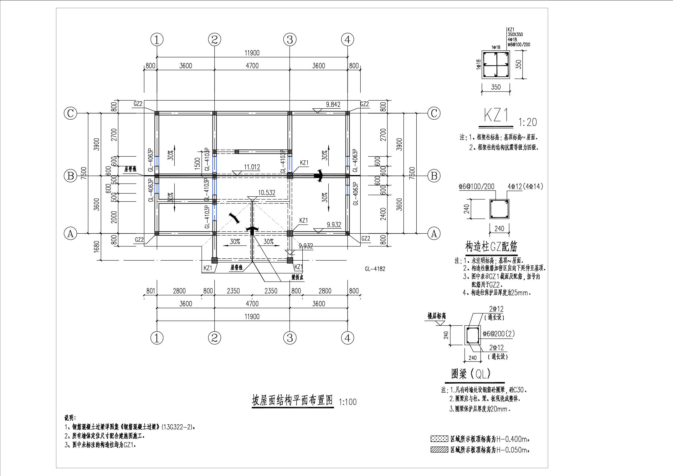
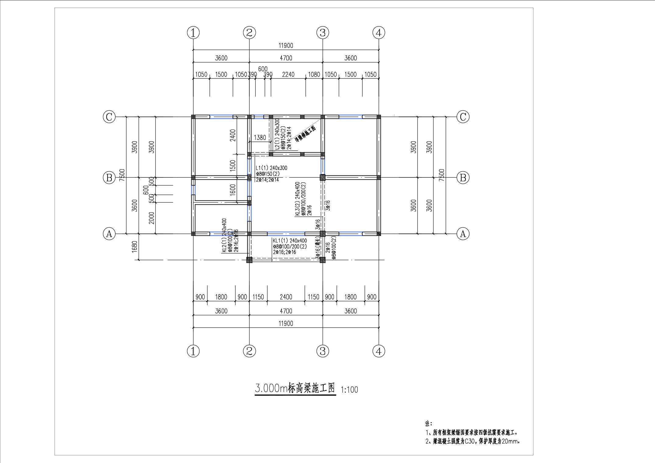
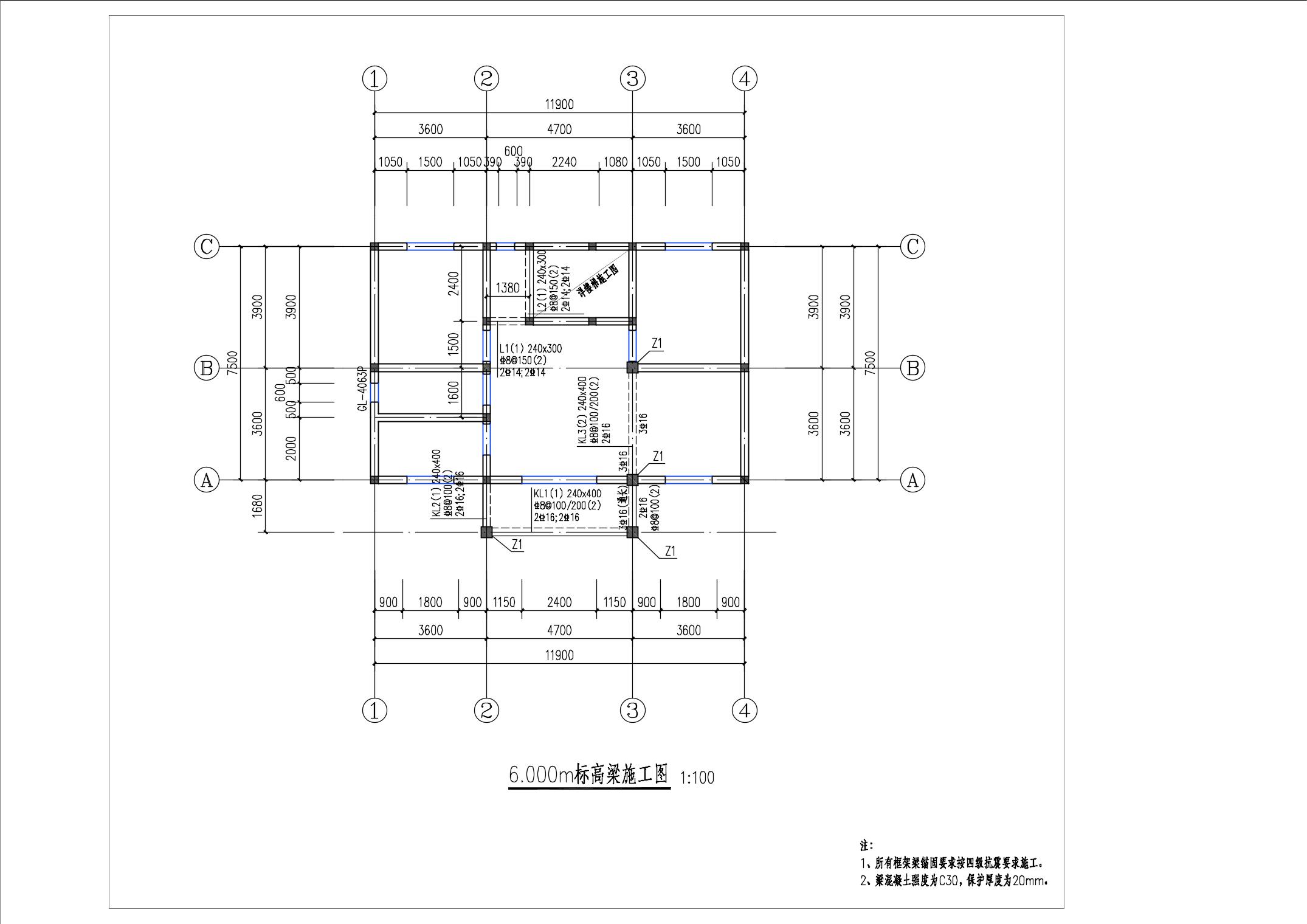
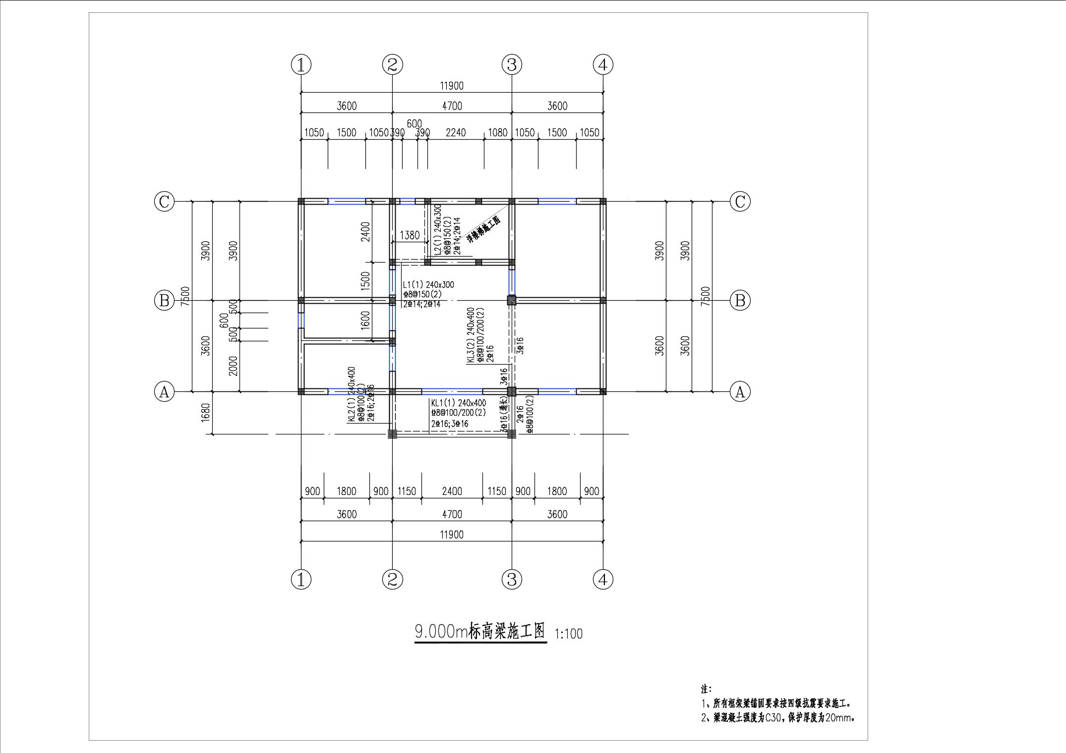
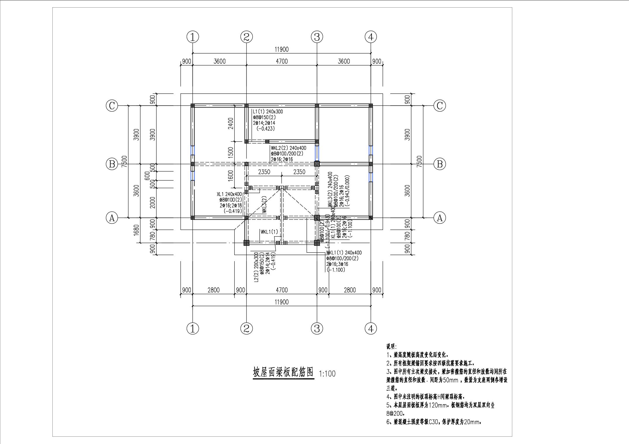
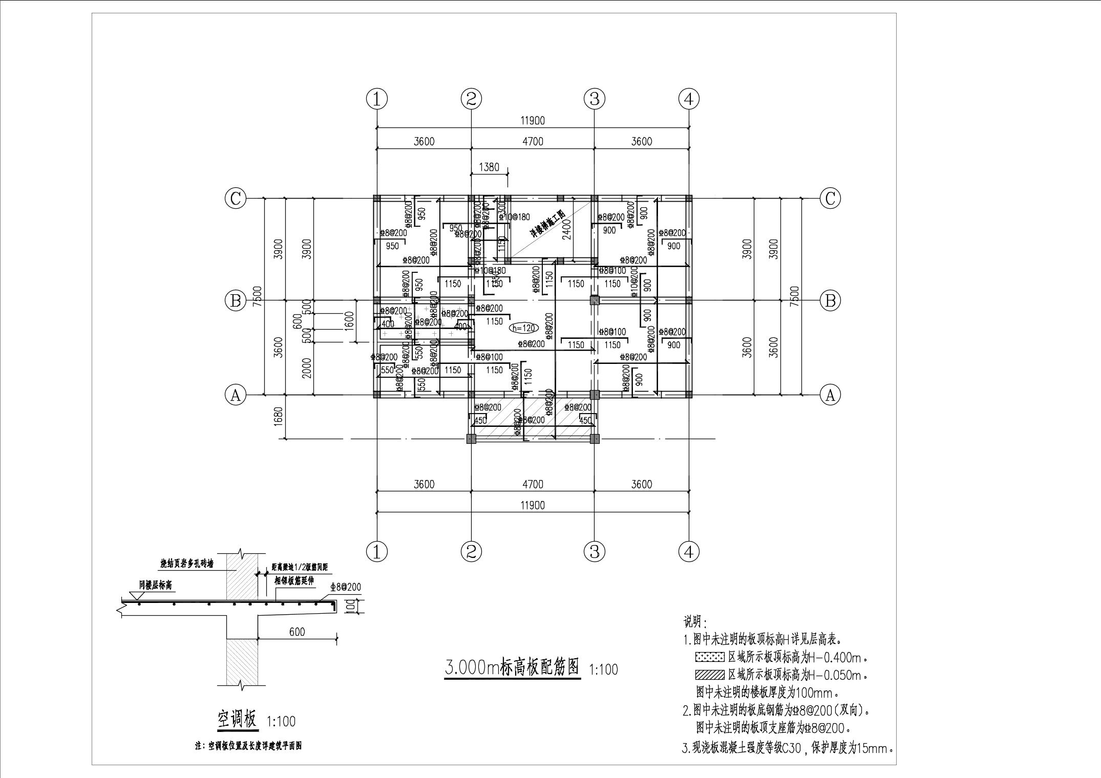
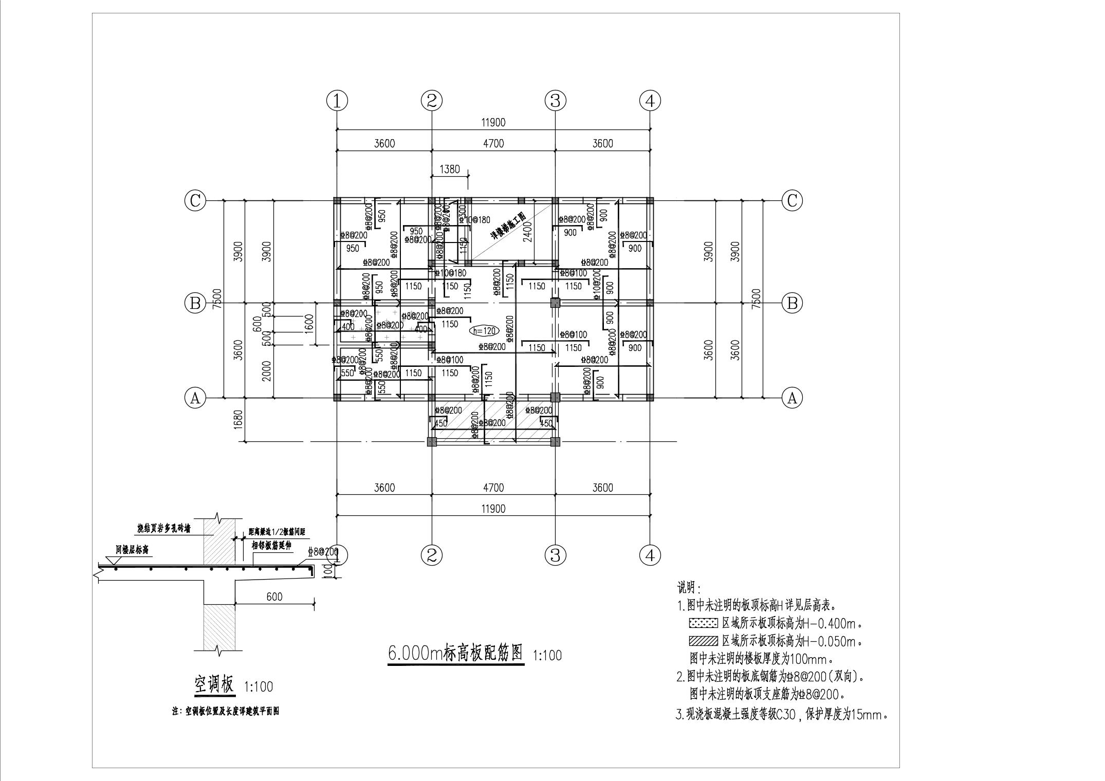
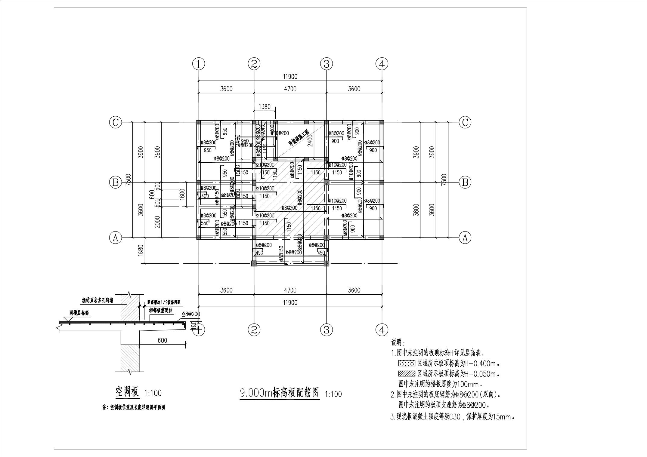
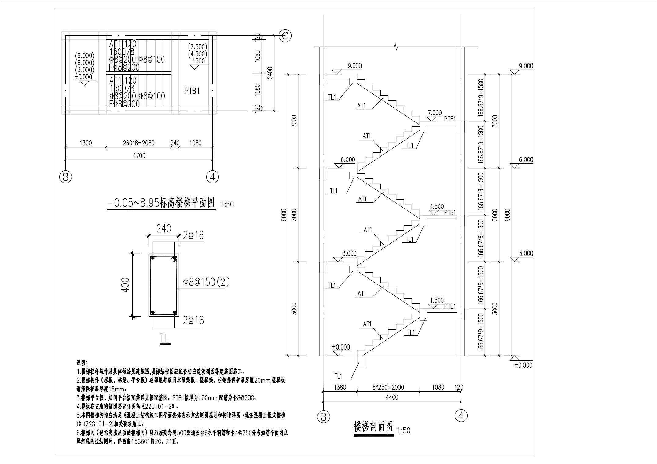
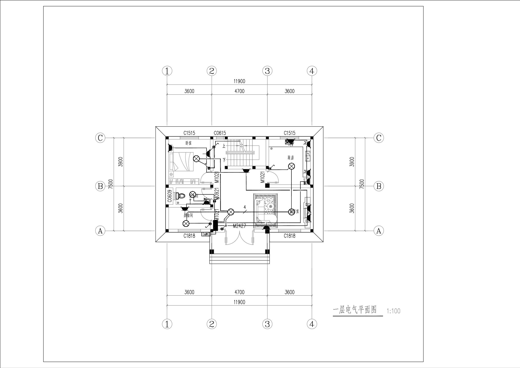
重庆市巴南区住房和城乡建设委员会2024年巴南区农村自建房图集(100平方米户型)



























































扫一扫在手机打开当前页
部门镇街
|
无障碍
|
繁體版
|
智能机器人(智能问答)
|
登录(用户空间)
|
注销
注册
重庆市巴南区人民政府版权所有©重庆市巴南区人民政府办公室主办地址:重庆市巴南区龙洲湾街道龙海大道6号
网站标识码 5001130002ICP备案号:渝ICP备16012225号 渝公网安备 50011302000332号