| [ 索引号 ] | 11500113009308730H/2023-00004 | [ 发文字号 ] | 安澜府发〔2022〕61号 |
| [ 主题分类 ] | 其他 | [ 体裁分类 ] | 公文 |
| [ 发布机构 ] | 巴南区安澜镇 | [ 有效性 ] | |
| [ 成文日期 ] | 2022-04-06 | [ 发布日期 ] | 2022-04-12 |
重庆市安澜镇人民政府关于做好2022年农村低收入群体等重点对象住房安全保障工作的通知
各村(社区),相关部门:
按照区住房城乡建委、区财政局、区民政局、区乡村振兴局《关于做好农村低收入群体等重点对象住房安全保障工作的通知》(巴住建发〔2022〕59号)和《关于下达2022年第一批农村低收入群体等重点对象危房改造计划的通知》(巴住建发〔2022〕84号)要求,结合我镇实际,特制定并印发安澜镇2022年农村低收入群体等重点对象住房安全保障工作实施方案。请高度重视,加快进度,务必确保于2022年5月20日前全面完成改造任务,并通过区级验收、全面入住。
重庆市巴南区安澜镇人民政府
2022年4月6日
(此件公开发布)
重庆市巴南区安澜镇2022年农村低收入群体等重点对象住房安全保障工作实施方案
2022年区住建委下达的我镇第一批农村低收入群体等重点对象危房改造任务共计20户,其中C级9户,D级11户,具体改造名单附后。现就做好农村低收入群体等重点对象住房安全保障工作有关事项通知如下:
一、高度重视住房安全保障工作
各村(社区)要以习近平新时代中国特色社会主义思想为指导,全面贯彻落实习近平总书记在中央农村工作会议上的重要讲话精神,按照党中央、国务院、市委市政府和区委区政府关于建立健全巩固拓展脱贫攻坚成果长效机制的决策部署,逐步完善农村低收入群体住房安全保障长效机制。要坚持安全为本、因地制宜、农户主体、提升质量的原则,以农村危房改造为主要抓手,确保农村低收入群体等重点对象住房安全保障工作落实落地落细,实现巩固拓展脱贫攻坚成果同乡村振兴有效衔接。
二、精准认定农村危房整治补助对象
(一)农村危房改造补助对象
经鉴定唯一住房安全等级属于C级或D级,或经镇属部门认定确属无房户的以下农村低收入群体:农村易返贫致贫户(包括脱贫不稳定户、边缘户)、农村低保户、农村分散供养特困人员、因病因灾因意外事故等刚性支出较大或收入大幅缩减导致基本生活出现严重困难家庭、农村低保边缘家庭、未享受过农村住房保障政策支持且依靠自身力量无法解决住房安全问题的其他脱贫户。已实施过农村危房改造但由于小型自然灾害等原因又变成危房且农户符合条件的,可将其再次纳入支持范围。
以下农户不得纳入农村危房改造补助范围:有一套及以上安全住房的农户;属于城镇户口的农户(包括就地农转城的农户);拆除重建的C级危房户;D级危房拆除重建、无房户新建住房建筑面积超标的农户;已纳入易地扶贫搬迁、因灾倒损农房恢复重建的农户;其他不符合农村危房改造政策的农户。
(二)农村危房改造补助对象认定
乡村振兴办负责认定农村易返贫致贫户、因病因灾因意外事故等刚性支出较大或收入大幅缩减导致基本生活出现严重困难家庭、符合条件的其他脱贫户。民政办负责认定农村低保户、农村分散供养特困人员、农村低保边缘家庭(农村低保边缘家庭待认定政策制定出台后执行)。规建办负责配合区住建委指导各村(社区)开展农村低收入群体住房安全等级鉴定。
三、明确危房改造基本要求
(一)改造方式
农村C级危房改造必须修缮加固,农村D级危房改造原则上拆除重建,少数经鉴定为D级危房且为木质穿斗结构的房屋,可采取修缮加固的方式消除安全隐患,无房户按照相关要求新建住房。鼓励采取统建农村集体公租房、修缮加固现有闲置公房等方式,供自筹资金和投工投劳能力弱的特殊困难农户周转使用,解决其住房安全问题。同时,按照《重庆市农村村民住宅规划建设管理暂行办法》(渝办发〔2011〕372号)、《关于规范农村宅基地审批管理的通知》(巴南农业发〔2020〕115号)、《巴南区农村宅基地审批指南》要求,各村在办理经批准易地建造住房时,要督促村民“建新拆旧”。农户未拆除旧房时,新建房屋不得办理新证。农房为连体户、夹心户等不能拆除的,各村必须对放弃房屋进行封存,负责房屋的管理。
面积标准
各村(社区)应严格按照相关要求控制建房面积,不得因建房造成大额负债导致农村低收入群体返贫致贫,同时住房宅基地占地面积符合政策规定。D级重建和无房新建的房屋建筑面积原则上1-3人不超过75平方米,4人不超过100平方米,5人及以上不超过125平方米。
(三)竣工验收标准
修缮加固的住房应满足以下要求:危险点构件全部更换或维修;房屋安全隐患全部排除,达到住房安全要求。新建住房应满足以下要求:选址安全;基础牢靠,结构稳定,强度满足要求;抗震构造措施齐全、符合规定;围护结构和非结构构件与主体结构连接牢固;建筑材料质量合格;具备卫生厕所,做到人畜分离;建筑面积符合政策要求;房屋达到住房安全要求。各村(社区)要积极推广绿色建材应用和装配式建造方式,推进水冲式卫生厕所入户改造和建设,改善农村住房条件和居住环境。
四、强化农村住房安全等级鉴定
镇规建办、镇乡村振兴办、镇民政办等部门要及时对接相应的上级部门,加强协调联动和数据互通共享,形成农村低收入群体等重点对象住房安全动态监测机制,及时将新增和退出的重点对象基本情况及住房安全保障情况进行更新。各村要对既有的重点对象住房进行动态监测,定期报送监测情况。对于监测发现的疑似住房安全问题,镇规建办上报区住建委组织专业技术人员或聘请有资质的专业鉴定机构,按照市住房城乡建委《关于印发〈重庆市住房安全性鉴定技术导则〉的通知》(渝建村镇〔2020〕5号)要求对住房安全等级进行鉴定,填写《农村住房安全等级鉴定报告表》(见附件1)或出具鉴定报告。对住房安全等级鉴定为C级或D级、危房鉴定等级发生变化且符合条件的农户,各村应及时纳入农村危房改造范围。
五、严格审核审批程序
农村危房改造补助严格实行户申请、村评议、街镇审核、区级审批程序。
(一)户申请
符合农村危房改造补助条件的农户以户为单位,由户主向户籍所在地的村(社区)提出书面申请,填写《农村危房改造补助申请书》(见附件2),村(社区)受理申请后应如实登记。低保户如果户主未享受低保政策但家庭其他成员有享受低保政策的,由享受低保政策的家庭成员提出申请,户主一并在申请书上签字。对于失能失智无法提出申请的特殊人员,由村(社区)帮助其提出申请。
农户申请时应书面承诺,并提交下列申请资料:
1.农村危房改造农户申请书(申请人、户主应签字/按手印);
2.户口簿、户主身份证原件(留存复印件);
3. 农村低收入群体相关证明材料(留存复印件)。
(二)村评议
1.信息调查核实。村(社区)应组成调查组(至少由1名村干部和1名以上本村群众参加),通过入户调查、邻里走访等形式,对申请人家庭现状、住房条件、经济收入、是否接受过其他渠道的建房补助等情况进行调查核实。
2.成立村级评议小组。村(社区)组织建立村级民主评议小组,评议小组由村(社区)“两委”成员、村民小组长及村民代表等共同组成,村级评议小组组长由村(社区)“两委”书记、主任担任。
3.召开村级评议会议。村(社区)接到农户申请且信息调查核实无误,应及时召开村级评议会议,同时填写《村(社区)农村危房改造评议记录表》(见附件3)。街镇应安排人员到场监督。
4.村级公示。在村级评议结束后,村(社区)应将评议结果在村务公开栏进行公示(见附件4),公示时间不得少于7日。公示内容应包括但不限于通过村评议的农户基本情况、低收入群体类型、住房情况等。公示期满无异议后,所在村(社区)应及时将农户申请材料、民主评议记录、公示单、村民反馈意见等材料整理上报街镇。
(三)镇审核
镇接到村(社区)的申报材料后,应组织工作人员进行实地复核,做到户户见面,同时提出审核意见,报经镇党委集体研究通过后,将拟补助对象基本情况、低收入群体类型、住房情况等审核结果,在街镇政务公开栏进行公示(见附件5),公示时间不得少于7日。公示期满无异议后,应将审核结果上报区住房城乡建委。
镇审核的主要内容包括:村级上报资料是否齐全; 村级上报的年度农村危房改造对象是否符合条件;村级评定的程序和结果是否合法合规。
(四)区级审批
区住房城乡建委收到街镇上报的审核材料后,将会同区乡村振兴局、区民政局等部门组织人员进行实地抽查核实,抽查比例不低于30%,并提出审批意见(见附件6)。
六、加强农村危房改造全过程管理
(一)加强质量安全日常巡查
各村(社区)在农村危房改造施工期间,应逐户逐项开展现场质量安全巡查,同时填写《农村危房改造质量安全巡查记录表》(见附件7),各村(社区)要确保在实施C、D级危房改造过渡期内低收入群体的居住安全。巡查项目主要包括地基基础、承重结构、抗震构造措施、围护结构、建筑材料等,重要施工环节必须实行现场检查,发现质量安全问题或违法建设等问题及时告知农户,并给予劝导和制止,指导其及时整改。
(二)切实做好竣工验收
农村危房改造竣工后,各村(社区)要及时上报镇规建办,规建办上报区住房城乡建委委托第三方专业机构进行验收,逐户逐项检查,填写《农村危房改造竣工验收表》(见附件8),需检查的项目全部合格的视为验收合格,不合格的项目要立即进行整改。凡验收不合格的须整改合格后,才能全额拨付补助资金。
(三)严格补助资金管理
C级危房及少数采取修缮加固的D级危房补助0.75万元/户;D级危房拆除重建补助3.5万元/户;无房户新建住房补助3.5万元/户。各村(社区)要危房改造资金进行监管,严格按规定使用补助资金,做到专款专用,不得将农村危房改造补助资金用于基础设施建设、风貌改造等与基本住房安全保障无关的支出,不得以任何形式挤占、挪用、截留和滞留,不得向补助对象收取任何费用。镇财政办在收到拨付资金后,应在15日内完成补助资金拨付工作,及时将补助资金足额支付到农户“一卡通”账户。
(四)健全档案管理
各村(社区)要同步建立农村危房改造农户纸质档案管理制度,实行一户一档,确保批准一户、建档一户。“一户一档”材料应包括档案材料目录、农户申请、户口簿和身份证复印件、低收入类型证明材料、安全等级鉴定报告、村级评议资料、街镇审核和区级审批材料、建房审批手续相关资料、施工协议、质量安全巡查资料、公示图片材料、改造前中后照片、竣工验收表、资金发放单据等资料。
(五)加强政策宣传
各村(社区)要全面推广农村危房改造“政策明白卡”,并免费发放到每个危改户,确保所有危改户都知晓政策。要继续执行农村危房改造获批对象函告制度,区级审批结束后,各村应书面通知拟补助对象。要畅通问题反映渠道,设立农村危房改造举报电话,在各村村务公开栏、镇政务公开栏显著位置公示,主动接受群众和社会各界监督。
附件:1.农村住房安全等级鉴定报告表
2.农村危房改造补助申请书
3.村(社区)农村危房改造评议记录表
4.村(社区)农村危房改造评议结果公示
5.乡镇(街道)农村危房改造审核结果公示
6.农村危房改造审批表
7.农村危房改造质量安全巡查记录表
8.农村危房改造竣工验收表
9.重庆市农村村民住宅规划建设管理暂行办法
10.关于规范农村宅基地审批管理的通知
11.关于印发《巴南区农村宅基地审批指南》的通知
12.农村低收入群体等重点对象危房改造规范及要求
附件1
农村住房安全等级鉴定报告表
|
户主姓名 |
|
身份证号码 |
| |||||||
|
家庭人口 |
人 |
联系电话 |
| |||||||
|
农户类型 |
□农村易返贫致贫户 □农村分散供养特困人员 □低保户 □因病因灾因意外事故等刚性支出较大或收入大幅缩减导致基本生活出现严重困难家庭 □农村低保边缘家庭 □未享受过农村住房保障政策支持且依靠自身力量无法解决住房安全问题的其他脱贫户 | |||||||||
|
房屋地址 |
区 镇(街道) 村(居委) | |||||||||
|
建筑面积 |
平方米 |
开间数 |
间 |
层数 |
层 |
建造年代 |
年 | |||
|
结构形式 |
|
承重构件种类 |
|
抗震设防烈度 |
| |||||
|
围护墙体材料 |
|
楼屋面类型 |
|
楼屋面材料 |
| |||||
|
使用历史和维修情况 |
| |||||||||
|
房屋正面照片 |
房屋侧面照片 | |||||||||
|
1、场地安全性 危险场地( ) 基本安全场地( ) 2、地基基础 (□a □b □c □d)级 3、承重构件(□a □b □c □d)级 4、围护(分隔)构件(□a □b □c □d)级 5、木屋架或楼屋盖(□a □b □c级 □d)级 | ||||||||||
|
房屋整体安全等级 |
□A级 □B级 □C级 □D级 | |||||||||
|
防灾措施鉴定结果 |
□具备防灾措施 □部分具备防灾措施 □完全不具备防灾措施 | |||||||||
|
处理建议 |
□正常使用 □观察使用 □修缮加固 □拆除重建 □异地重建 | |||||||||
|
鉴定人员(签字): 年 月 日 |
鉴定单位(签章) 年 月 日 | |||||||||
附件2
农村危房改造补助申请书
村委会(社区居委会):
我是村(社区)组(居委)村民,姓名,身份证号码,“一卡通”账号:,现为(□农村易返贫致贫户 □农村分散供养特困人员 □低保户 □因病因灾因意外事故等刚性支出较大或收入大幅缩减导致基本生活出现严重困难家庭 □农村低保边缘家庭 □未享受过农村住房保障政策支持且依靠自身力量无法解决住房安全问题的其他脱贫户),房屋经鉴定为级(或□属于无房户),现申请纳入农村危房改造补助对象。
本人在此郑重承诺:□对C级危房进行修缮加固,不拆除重建;□对D级危房进行修缮加固;□D级危房拆除重建或无房新建的住房建筑面积不超过政策规定;□本人及家庭成员无一人在城镇购买商品房,无机动车辆或大型工程车,无财政供养人员,无投资或经商办企业人员,无缴纳住房公积金或个人所得税人员。
上述承诺信息真实准确,如提供虚假信息,本人自愿放弃农村危房整治补助资格。
申请人:
户 主:
申请日期:年月日
附件3
_________村(社区)农村危房改造评议记录表
|
评议情况 |
评议时间 |
|
评议地点 |
|
主持人 |
| |
|
村(社区)评议的农村危房 改造户主名单 |
| ||||||
|
参加评议人员 |
| ||||||
|
参加评议 人员发言 情况记录 |
| ||||||
|
通过村(社区) 评议的农村 危房改造 户主名单 |
| ||||||
|
村(社区)负责人签字 |
|
村民代表签字 |
| ||||
|
镇(街道)政府(办事处)监督人员签字 |
| ||||||
|
填表说明:1. 本表作为评议工作的记录;2. 名单栏目应列出所有相关人员姓名;3. 至少要有9名以上村民代表全程参与评议并签字确认;4. 评议结果通过后,应在本村村务公开栏进行公示。 | |||||||
附件4
村(社区)农村危房改造
评议结果公示
经实地调查、村级评议,初步确定本村(社区)户农户为年
农村危房改造对象(具体名单和调查情况附后),特此公示。
如对此次评议结果有异议,可在即日起7日内,向村(社区)“两委”反馈意见。
联系人:电话:
村委会(社区居委会)(公章)
_____年_____月_____日
附件5
乡镇(街道)农村危房改造审核结果公示
经实地调查、村级评议、乡镇(街道)审核,初步确定本乡镇(街道)________户农户为_______年农村危房改造对象(具体名单附后),特此公示。
如对此次评议结果有异议,可在即日起7日内,向乡镇(街道)政府(街道办事处)反馈意见。
联系人:____________电话:____________
__________乡镇人民政府(街道办事处)(公章)
______年_____月_____日
附件6
农村危房改造审批表
|
户主姓名 |
|
身份证号 |
| ||
|
农村低收入 群体类型 |
|
是否为无房户 |
□是 □否 |
住房安全等级 |
|
|
改造方式 |
□修缮加固 □拆除重建 □无房新建 | ||||
|
所在村 (社区) 意见 |
负责人(签字): 村委会(社区居委会)(公章): | ||||
|
镇(街道) 人民政府 (办事处) 意见 |
负责人(签字): 镇人民政府(街道办事处)(公章): 年 月 日 | ||||
|
区住房城乡 建委意见 |
负责人(签字): 区住房城乡建委(公章): 年 月 日 | ||||
附件7
农村危房改造质量安全巡查记录表
|
巡查单位: |
巡查日期: | |
|
农户地址:镇村(社区)组(居委)农户姓名: | ||
|
巡查类别 |
巡查内容 |
巡查结果 |
|
D级危房拆除重建(无房户新建住房) |
1. 选址是否安全 |
□是 □否 |
|
2. 地基、基础是否满足上部结构承载力要求 |
□是 □否 | |
|
3. 主体结构施工是否符合质量安全要求 |
□是 □否 | |
|
4. 主要材料钢筋、水泥、砖、瓦是否有质检证明及产品合格证 |
□是 □否 | |
|
5. 抗震设防区域是否设置抗震结构 |
□是 □否 | |
|
C级危房修缮加固 |
1. 危险点是否找全 |
□是 □否 |
|
2. 危险点构件是否更换或维修 |
□是 □否 | |
|
3. 更换或维修是否解除危险状态,并达到使用要求 |
□是 □否 | |
|
施工安全 |
1. 建筑材料堆放是否规范、安全 |
□是 □否 |
|
2. 脚手架搭接是否规范、安全 |
□是 □否 | |
|
3. 施工现场用电是否规范、安全 |
□是 □否 | |
|
4. 施工现场安全防护是否到位 |
□是 □否 | |
|
巡查意见、整改要求 |
| |
|
巡查人(签字): | ||
|
施工方(签字): | ||
|
农户(签字): | ||
附件8
农村危房改造竣工验收表
|
户主姓名 |
|
身份证号 |
| ||||
|
农村低收入群体类型 |
|
原住房安全等级 |
|
是否为无房户 |
□是 □否 | ||
|
改造方式 |
|
开工时间 |
|
竣工时间 |
| ||
|
修缮加固 验收情况 |
1. 危险点构件全部更换或维修 |
□是 □否 | |||||
|
2. 房屋安全隐患全部排除,达到住房安全要求 |
□是 □否 | ||||||
|
新建房屋 验收情况 |
1. 选址安全 |
□是 □否 | |||||
|
2. 基础牢靠,结构稳定,强度满足要求 |
□是 □否 | ||||||
|
3. 抗震构造措施齐全、符合规定 |
□是 □否 | ||||||
|
4. 围护结构和非结构构件与主体结构连接牢固 |
□是 □否 | ||||||
|
5. 建筑材料质量合格 |
□是 □否 | ||||||
|
6. 具备卫生厕所,做到人畜分离。 |
□是 □否 | ||||||
|
□是 □否 | ||||||
|
8. 房屋达到住房安全要求 |
□是 □否 | ||||||
|
户主意见 |
修缮加固C级或D级危房 |
□是 □否 |
户主(签字): 年 月 日 | ||||
|
对D级危房拆除重建 |
□是 □否 | ||||||
|
无房户新建 |
□是 □否 | ||||||
|
村(社区) 意见 |
验收人员(签字): |
村委会(社区居委会)(盖章) 年 月 日 | |||||
|
镇(街道) 意见 |
验收人员(签字): |
乡镇人民政府(街道办事处)(盖章) 年 月 日 | |||||
附件9
重庆市农村村民住宅规划建设管理暂行办法
渝办发〔2011〕372号
第一条(目的依据)为了规范本市农村村民住宅的规划建设管理,改善农村村民居住环境,根据《中华人民共和国城乡规划法》、《中华人民共和国土地管理法》、《重庆市城乡规划条例》等有关法律法规,结合本市实际,制定本办法。
第二条(适用范围)本市行政区域内集体土地上(乡、村规划区中确定的集中居民点除外)的农村村民住宅建设适用本办法。
本办法所称农村村民住宅,是指农村村民以户为单位申请并经依法批准,使用经批准的宅基地新建、改建、扩建的自用住宅。
第三条(责任主体)区县(自治县)土地行政主管部门负责农村村民住宅建设的用地管理工作。
镇(乡)人民政府负责农村村民住宅建设的规划管理工作。
没有设镇(乡)人民政府的区域,由区县(自治县)城乡规划主管部门负责农村村民住宅建设的规划管理工作,参照本办法的有关规定执行。
第四条(规划原则)建设农村村民住宅应遵循以下原则:
(一)节约、集约利用土地,在尊重村民意愿的基础上适度集中布局;
(二)安全、适用、美观、经济;
(三)符合我市有关乡村风貌的规划设计要求,体现地方和农村特色,与自然环境协调,鼓励采用通用图集;
(四)符合乡镇土地利用总体规划,在城乡规划区内的,还应符合城乡规划;
(五)尽可能不占耕地或少占耕地,严禁占用基本农田,禁止占用经批准的详细规划、乡规划和村规划确定的城镇或乡村道路用地;
(六)位于公路的建筑控制区、铁路弯道内侧、平交道口和人行过道附近及河道、湖泊管理范围内的,应符合相关法律法规规定;不符合的,应当迁建;
(七)位于自然保护区的核心区或风景名胜区核心景区的,应当符合相关法律法规规定;不符合的,应当迁建;
(八)禁止在地质灾害危险区、地质灾害极易发区和地质灾害直接威胁区域内建设村民住宅;位于地质灾害高易发区、中易发区和低易发区的,应当符合相关法律法规规定;
(九)不得危及电力、石油、天然气等设施的安全;
(十)法律、法规禁止建设的其他区域。
第五条(建设标准)农村村民住宅建设原则上不得超过三层。
第六条(办理情况)农村村民利用原有宅基地进行住宅建设,应当申请办理乡村建设规划许可证。
农村村民新申请或改变、扩大原有宅基地进行住宅建设,应当申请办理乡村建设规划许可证、用地审批手续。
第七条(规划许可申请材料1)农村村民利用原有宅基地进行建设的,申请办理乡村建设规划许可证时应提供如下申请材料:
(一)书面申请(原件1份);
(二)申请人身份证明材料及其户籍人口证明文件(复印件1份,核原件);
(三)村民委员会书面意见(原件1份);
(四)原有宅基地的土地使用权证件(限使用原有宅基地的;复印件1份,核原件);
(五)房屋所有权证明材料(限改建、扩建的;复印件1份,核原件);
(六)建筑设计方案图或通用图集(拟建层数为三层但未使用通用图集的,应提供设计单位资质;原件2份);
(七)涉及邻里关系的,需提供邻里等相关利害关系人的书面意见(涉及减少原有间距、影响房屋结构安全、通行及其他对他人合法权益产生影响的情形,原件1份);
(八)其他需要提交的材料。
第八条(规划许可申请材料2)农村村民新申请宅基地或改变、扩大原有宅基地面积进行建设的,申请办理乡村建设规划许可证时应提供如下申请材料:
(一)书面申请(原件1份);
(二)申请人身份证明材料及其户籍人口证明文件(复印件1份,核原件);
(三)村民委员会书面意见(原件1份);
(四)土地行政主管部门同意使用宅基地面积的书面意见及附图(复印件1份,核原件);
(五)建筑设计方案图或通用图集(拟建层数为三层但未使用通用图集的,应提供设计单位资质;原件2份);
(六)房屋所有权证明材料(限改建、扩建的;复印件1份,核原件);
(七)涉及邻里关系的,需提供邻里等相关利害关系人的书面意见(涉及减少原有间距、影响房屋结构安全、通行及其他对他人合法权益产生影响的情形,原件1份);
(八)其他需要提交的材料。
第九条(规划许可办理程序)农村村民住宅建设应按照以下程序办理乡村建设规划许可证:
(一)农村村民持申请材料向镇(乡)人民政府提出申请。
(二)镇(乡)人民政府自收到申请材料之日起20个工作日内进行审查。同意的,核发乡村建设规划许可证及附件、附图;不同意的,说明不予许可的理由,并告知申请人享有依法申请行政复议或者提起行政诉讼的权利。
对主城区二环以内(具体范围见附件)和城镇建设用地范围内的农村村民住宅建设,镇(乡)人民政府在作出审查决定前,应先报城乡规划主管部门审查。
镇(乡)人民政府认为涉及公路、河道、林业等相关部门的,可以征求公路、河道、林业等相关部门的意见。
第十条(土地许可申请材料)农村村民申请办理用地审批手续时应提供如下申请材料:
(一)书面申请(原件1份);
(二)申请人身份证明材料及其户籍证明材料(复印件1份,核原件);
(三)农村宅基地申报表(原件2份,乡镇政府、村委会、村民小组需在此表上签注意见);
(四)乡村建设规划许可证(复印件1份,核原件);
(五)原有宅基地的土地使用权证(限改建、扩建的;复印件1份,核原件);
(六)因地质灾害迁建的,需提供国土资源管理部门出具的地质灾害鉴定材料(原件1份);
(七)确需占用耕地的,需提供所在地的农村集体经济组织2/3以上成员签字同意的书面材料和补充耕地方案(原件1份);
(八)搬迁新建户还应提供旧宅基地的处置方案(原件1份);
(九)乡镇(街道)出具的不在地质灾害危险区、地质灾害易发区和地质灾害直接威胁区域,或在地质灾害易发区但不受地质灾害威胁的意见(原件1份);
(十)其他需要提交的材料。
第十一条(土地许可办理程序)农村村民住宅建设应按照以下程序办理用地审批手续:
(一)农村村民持申请材料向镇(乡)人民政府提出申请。
(二)镇(乡)人民政府自收到申请材料之日起5个工作日内进行初审并交土地行政主管部门进行审查。土地行政主管部门自收到申请材料之日起10个工作日内进行审查,审查合格后报区县(自治县)人民政府进行审批。区县(自治县)人民政府自收到申请材料之日起5个工作日内进行审批。同意的,核发建设用地许可证;不同意的,说明不予许可的理由,并告知申请人享有依法申请行政复议或者提起行政诉讼的权利。
第十二条(核定空间位置)镇(乡)人民政府在乡村建设规划许可证的审查办理过程中,应通过现场定位,确定拟建住宅的空间位置。在规划城镇建设用地范围内进行建设的,由城乡规划主管部门核定是否位于规划城镇道路用地范围。
第十三条(建设要求)农村村民住宅的地上、地下建筑投影面积及附属设施不得超出经土地行政主管部门批准同意使用的宅基地用地范围。
第十四条(开工要求)在取得乡村建设规划许可证和法律法规规定的其他审批手续前,不得擅自动工建设。
第十五条(档案管理)农村村民住宅建设规划档案由核发乡村建设规划许可证的行政机关管理,并按照《重庆市城乡建设档案管理办法》的规定移送城乡建设档案管理机构。
第十六条(监督检查)在核发乡村建设规划许可证后,镇(乡)人民政府应当加强对农村村民住宅建设的跟踪管理,及时制止违法建设行为。在农村村民住宅建设开工和竣工时,镇(乡)人民政府应派工作人员到建设现场进行查验,并作好记录。发现违法建设行为的,由镇(乡)人民政府依法进行查处。
镇(乡)人民政府应当加强巡查,发现未取得乡村建设规划许可证擅自修建的违法建筑,应及时制止。对位于乡、村规划区内的违法建筑依法进行查处;对位于乡、村规划区外的违法建筑,及时向有关主管部门反映,有关主管部门应及时查处。
第十七条(部门职责)土地行政主管部门应当加强对乡村用地管理工作的指导,城乡规划主管部门应当加强对乡村规划管理工作的指导,区县(自治县)人民政府应当加强对乡村规划建设管理工作的监督、检查。
第十八条(行政处罚)对擅自改变乡村建设规划许可证及附件、附图的内容进行建设的,镇(乡)人民政府应当依法责令停止建设、限期改正;逾期不改正的,可拆除。
对未取得乡村建设规划许可证擅自进行建设的,镇(乡)人民政府或有关主管部门应当责令停止建设,按照有关法律法规进行处罚,并限期拆除。
第十九条(法律责任)对在乡村规划建设管理过程中违反本暂行办法的有关工作人员,按照《中共重庆市纪委重庆市监察局关于行政审批中违纪违规行为责任追究的暂行规定》和《重庆市城乡规划违法违纪行为处分规定》等有关规定处理。
第二十条本办法自2012年1月1日起施行。
第二十一条本办法由市规划局负责解释。
附件10


附件11
重庆市巴南区农业农村委员会
重庆市巴南区规划和自然资源局
关于印发《巴南区农村宅基地审批指南》的
通 知
各镇人民政府、街道办事处,区级有关部门:
根据《重庆市巴南区农业农村委员会重庆巴南区市规划和自然资源局关于规范农村宅基地审批管理的通知》(巴南农业发〔2020〕115号)精神,为加强我区农村宅基地审批管理,进一步规范农村宅基地审批流程及相关格式文本,现印发《巴南区农村宅基地审批指南》,请遵照执行。
重庆市巴南区农业农村委员会 重庆市巴南区规划和自然资源局
2020年10月21日
巴南区农村宅基地审批指南
一、申请农村宅基地的资格要求
(一)符合以下条件之一的人员可申请农村宅基地
1.具有本集体经济组织成员资格的人员;
2.其他相关法律规定符合条件申请宅基地的人员。
(二)具备申请农村宅基地资格的人员,符合以下条件之一的可以户为单位申请宅基地
1.农村村民户无宅基地的;
2.原宅基地面积不足且原宅基地无法改扩建的夹心户;
3.因发生地质灾害等自然灾害需要搬迁的户;
4.符合改扩建条件的户;
5.其他符合相关法律法规规定的户。
(三)申请宅基地有下列情形之一的,不予批准
1.城镇居民;
2.农村村民出卖、出租、赠与住宅后,再申请宅基地的;
3.原有农村宅基地已达到或超出法定标准的;
4.其他相关法律规定不符合条件申请宅基地的人员。
二、申请农村宅基地的选址要求
农村宅基地选址应当符合乡镇土地利用总体规划、城乡规划、村镇规划和相关管制要求,尽量使用原有的宅基地和村内空闲地,不占或少占耕地,严禁占用永久基本农田。
农村村民宅基地选址时,应避开地质灾害隐患区及威胁区域;不得在公路、铁路、河道、湖泊、水库、水利设施、饮用水水源、采矿区、文物、易燃易爆危险品仓库、油(气)设施、电力设施、气象观测设施、测量标志、环境保护、军事设施、通信管线设施等保护及安全距离内选址(相关职能部门审批同意的除外);占用林地建房的,应当取得林业部门的批准手续;在自然保护区、风景名胜区、森林公园范围内选址建房的,应符合相关法律法规规定。
三、用地标准
农村村民一户只能拥有一处宅基地,其面积不得超过《重庆市土地管理规定》的标准,以公安部门登记的户为单位申报审批农村宅基地。具体标准为:市区范围内村民宅基地标准为每人20至25平方米,3人以下户按3人计算,4人户按4人计算,5人以上户按5人计算,扩建住宅新占的土地面积应连同原有宅基地面积一并计算。
农村村民应当严格按照批准面积和建房标准建设住宅,禁止未批先建、超面积占用宅基地。
四、审批权限
农村村民申请宅基地,由镇人民政府、街道办事处审核批准,涉及占用农用地的,应按《中华人民共和国土地管理法》第四十四条的规定办理农用地转用审批手续,由镇街向区规划和自然资源局申报。
五、审批流程及办理时限
(一)申请
1.申请流程:
由本人向农村集体经济组织或村民小组提出书面用地申请。
2.申请材料:
农村村民新建、改建、扩建住宅,需要申请宅基地的,填写《重庆市巴南区农村宅基地申报审批表》,以户为单位提出申请,将身份证、户口本、权属证明材料(不动产产权证或承包经营权证或换地协议)等交所在村民小组(社)。
(二)村民小组资料审查及用地报批
1.审查流程:
由村民小组对申请人提交的相关资料进行初步审查并签署意见,符合报批要求的,上报村委会审查;对不符合审批要求的,说明不能受理的理由并将申请退还申请人。
2.审查重点:
(1)申请人书面申请并须本人签字;
(2)申请宅基地范围影响相邻权利人的采光、通行、生活及相关使用权等权利的,必须与相邻权利人达成书面一致意见并经本人当面签字同意,不得出现他人代签字情况。其中,涉及土地互换的,需提供经双方签字同意并经村、社集体经济组织签字盖章确认的土地互换协议;
(3)组织召开村民小组(或户代表)会议讨论,经本集体经济组织成员的村民会议三分之二以上成员或者三分之二以上村民代表的同意,并做好记录;
(4)村民小组会议讨论通过后在将申请理由、拟用地位置和面积、拟建房层高和面积等情况在村务公开栏和社集体经济组织较集中地点公示(社集体经济组织无公章的由村委会代章),公示无异议或异议不成立的材料。
(三)批前公示
镇街规划建设管理环保办公室指导村、社集体经济组织将申请宅基地情况在村务公开栏和社集体经济组织较集中地点进行公示,公示期7天,公示期满后,由村、社集体经济组织在公示资料上签字盖章确认公示情况。
(四)村民委员会资料审查及用地报批
1.审查流程:
由村民委员会对申请人提交的相关资料进行初步审查并签署意见。对符合报批要求的,签署书面审查意见上报镇街规划建设管理环保办公室审查;对公示有异议的,调查核实并回复公示有异议的相关情况;对不符合审批要求的,说明原因并将申请退还申请人。
2.审查重点:
(1)审查材料的真实性,是否本人签字;
(2)提交的相关资料(是复印件的应当审查原件,复印件与原件核对一致的,提供人在复印件上签字“该原件提供人和日期”,并由经办人签字确认)是否真实有效;
(3)拟用地建房是否符合村庄规划;
(4)是否征求了用地建房利害关系人意见;
(5)占地范围是否有权属争议;
(6)是否同意申请宅基地面积等情况。
(五)规划建设管理环保办公室资料审查及现场选址
镇人民政府或街道办事处规划建设管理环保办公室收到申请材料后,应对申报材料真实性及完整性进行初步审查。对申报材料符合要求的,在10个工作日内组织村、社实地审查申请人是否符合条件、拟用地是否符合规划和地类等,根据实地审查情况提出审查意见。对符合审批要求的,10工作日内签署书面审查意见报镇街审批;对不符合审批要求的,在10个工作日内说明不能受理的理由并将申请退还申请人。
(六)核发批准书
由镇人民政府或街道办事处在10个工作日对农民宅基地申请进行审批并核发《农村宅基地批准书》,核发有效期限为1年,涉及占用农用地的,应按规定办理农用地转用审批手续。
镇街规划建设管理环保办公室在每月的10日前将上月审批情况报区农业农村委和区规划自然资源局备案。
(七)批后公示
经批准的宅基地,由镇街规划建设管理环保办公室指导村、社集体经济组织及时将审批结果张榜公示,主动接受群众监督。
六、监管要求
(一)做好公示,主动接受群众监督
农村村民申请审批宅基地的,在上报审批前,村、社集体经济组织应将申请宅基地情况在村务公开栏和社集体经济组织较集中地点进行公示,公示期7天。公示期满无异议或有异议经调查不成立的,村、社集体经济组织应在公示资料上签字盖章确认公示情况,按程序报批;经公示存在异议及权属争议的,不予受理,将申请退回申请人并说明理由。经依法批准的宅基地,镇街规划建设管理环保办公室应指导村、社集体经济组织及时将审批结果张榜公示,主动接受群众监督。
(二)建立台账,严格执行“三到场”
镇街应分年度建立农村宅基地审批管理台账,纳入日常管理。镇街规划建设管理环保办公室组织相关单位及村社集体经济组织人员、村级宅基地协管员做到“三到场”要求:即一是审查条件选址到场,要到实地审查申请人是否符合条件、拟用地是否符合规划等;二是确定位置放线到场,宅基地审批后,要到现场按批准的位置和面积放线;三是竣工验收到场,验收合格的告知申请人按权属登记的要求及时提供资料办理产权登记。
(三)严格审批,遏制新增乱占耕地
各镇街要严格按照《自然资源部 农业农村部关于农村乱占耕地建房“八不准”的通知》(自然资发〔2020〕127号)要求,严格执行农村建房行为“八不准”,坚决遏制新增农村乱占耕地建房:一是不准占用永久基本农田建房;二是不准强占多占耕地建房;三是不准买卖、流转耕地违法建房;四是不准在承包耕地上违法建房;五是不准巧立名目违法占用耕地建房;六是不准违反“一户一宅”规定占用耕地建房;七是不准非法出售占用耕地建的房屋;八是不准违法审批占用耕地建房。
(四)加强监管,严肃工作纪律
各镇街规划建设管理环保办公室要抓好农村宅基地的日常巡查监管,每月不少于一次巡查检查,发现未批先建、批少占多、批甲占乙等违法用地行为的,按照《重庆市巴南区违法用地违法建筑整治工作指挥部办公室关于印发〈巴南区违法建筑查处职责分工〉的通知》(巴南两违整指办发〔2020〕19号)要求及时报送相关职能部门,并按照有关规定进行处理。
附件12
农村低收入群体等重点对象危房改造
规范及要求
1.改造面积:D级重建和无房新建的房屋建筑面积原则上1-3人不超过75平方米,4人不超过100平方米,5人及以上不超过125平方米。
2.选址科学合理,基础牢固:房屋选址要安全合理,应选择稳定基岩,坚硬土,开阔、平坦、密实、均匀的中硬土等有利地段作为地基选址,严禁在高回填区、滑坡、崩塌、地陷、地裂、泥石流等易发震断裂带上可发生地表错位的部位、燃气管道及高压输电线路上等危险区域选址建房。新建改造房屋选址需征得镇国土所书面同意。基础出地面采用混凝土浇筑的钢筋混凝土地圈梁,且宽度同墙体厚度保持一致。
3.房屋墙体结构采用实心烧结页岩砖砌筑,砌筑砂浆强度等级为M5,墙厚为180-240mm,且室内外门窗洞口过梁均为预制混凝土过梁,过梁(900-1500mm)不小于120mm厚度,梁宽同墙厚。墙高室外散水至檐高的高度不小于3000mm。
4.房屋屋顶为斜坡木结构琉璃瓦屋顶,排水坡度原则不小于4分水,前后墙以及山墙出檐边不小于900mm宽,均设混凝土预制悬挑梁。顺水条角板间距不得大于600mm,檩条间距不得大于900mm,最小直径不小于100mm。
5.门窗及抹灰工程:室外入户门为钢质新门,室内为统一颜色的木质新门,窗为塑钢单玻推拉窗,室内外墙体抹灰采用1:3的水泥砂浆抹平压光。
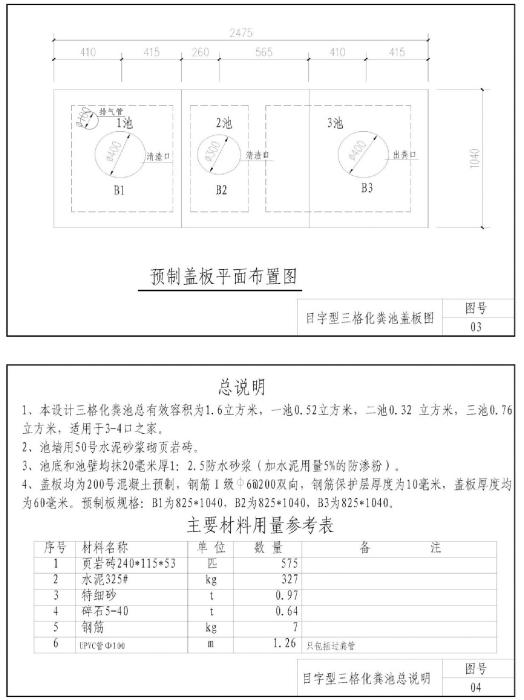
6.室内外地坪及附属工程:室内地坪采用C20细石混凝土不小于40mm厚浇筑后抹平压光;标高要求室内地坪比室外地坪高不小于100mm;住房四周散水宽度不小于800mm,排水沟畅通;室外必须安装路灯,亮化庭院;室外化粪池严格埋地设置的三格式,容积不小于1.5立方米,具体设计参照附件1化粪池建造图纸及施工要求;住房正前方应设有硬化院坝宽度不小于2000mm,烟囱应高出屋面,且室内设有灶台、案台、水缸、卫生厕所等基本居住功能性构件,要求要有合理的入户便道。
三格式化粪池建造图纸

样
图 倒L型
三格化粪池建设标准
化粪池所选位置应尽量靠近厕屋,避开低洼和积水地带,远离地表水体,埋入地下,禁止在水体周边建造厕所,禁止粪液直接排入水体及公路两边的排水沟。
1.化粪池要高出地面十公分,盖板要密闭,一二三池都要留清掏孔,一二池达四十公分,三池达三十公分,清掏孔要有盖板,一二池要用二灰密闭,三池不能密闭。一二三池比例2:1:3,(内部净长65:40:95)内壁净长2m,净深1m,净宽0.8m,外部长宽高分别为2.48米、1.04米、1.2米,除了溢粪管用50管,其他的管子全部用100管(包括出气孔),排气孔不靠墙要有两米高,靠墙高出屋檐50公分,顶端用三通!使用人数在三人及以下的,有效容积不得小于1.5 m3。
2.进粪管安装:进粪管上端与便器下口相接、固定,下端通向第一池,内部光滑、内径不小于10cm、铺设坡度不小于20%,水平距离不宜超过3m,水平距离大于3m时,应适当增加铺设坡度。
3.过粪管安装:过粪管应安装在两堵隔墙上,选用内径10厘米PVC管,并设置成倒L型。其中第一池到第二池过粪管下端(即粪液进口)位置在第一池的下1/3处,过粪管上沿距池顶10cm;第二池到第三池过粪管下端(即粪液进口)位置在第二池的中部1/2处,过粪管上沿距池顶10cm,两个过粪管应交错设置。
附件13
2022年安澜镇第一批农村低收入群体等重点对象危房改造任务花名册
|
序号 |
姓名 |
村 |
组 |
贫困类型 |
危险等级 |
是否农转城 |
驻村领导 |
驻村组长 |
备注 |
|
1 |
李培模 |
顶山村 |
2 |
分散供养特困人员 |
无房户 |
否 |
何先兵 |
段治 |
|
|
2 |
顾云桃 |
石板垭村 |
4 |
低保户 |
C级 |
否 |
熊伟 |
范时雄 |
|
|
3 |
余献超 |
石板垭村 |
12 |
低保户 |
D级 |
否 |
熊伟 |
范时雄 |
|
|
4 |
卢开容 |
石板垭村 |
3 |
低保户 |
D级 |
否 |
熊伟 |
范时雄 |
|
|
5 |
李世华 |
石板垭村 |
14 |
低保户 |
D级 |
否 |
熊伟 |
范时雄 |
|
|
6 |
李静春 |
小龙村 |
1 |
低保户 |
C级 |
否 |
熊伟 |
刘媛媛 |
|
|
7 |
杨坤才 |
湾湾村 |
3 |
分散供养特困人员 |
C级 |
否 |
李刚 |
杨章恒 |
|
|
8 |
李太甫 |
柑子村 |
5 |
分散供养特困人员 |
无房户 |
否 |
吕飞 |
周开波 |
|
|
9 |
何光其 |
柑子村 |
11 |
低保户 |
C级 |
否 |
吕飞 |
周开波 |
|
|
10 |
於孝禄 |
平滩村 |
12 |
分散供养特困人员 |
D级 |
否 |
赵晓 |
江鹏 |
|
|
11 |
徐华林 |
棋盘村 |
16 |
脱贫户 |
C级 |
否 |
熊勇 |
林柯君 |
|
|
12 |
赵纯伦 |
棋盘村 |
10 |
分散供养特困人员 |
D级 |
否 |
熊勇 |
林柯君 |
|
|
13 |
程必清 |
棋盘村 |
11 |
分散供养特困人员 |
D级 |
否 |
熊勇 |
林柯君 |
|
|
14 |
刘兴华 |
棋盘村 |
6 |
分散供养特困人员 |
D级 |
否 |
熊勇 |
林柯君 |
|
|
15 |
王明双 |
思林村 |
2 |
低保户 |
无房户 |
否 |
李芳竹 |
李天琪 |
|
|
16 |
申业平 |
坝上村 |
18 |
分散供养特困人员 |
C级 |
否 |
李芳竹 |
杨兰 |
|
|
17 |
鞠朝兰 |
坝上村 |
18 |
低保户 |
C级 |
否 |
李芳竹 |
杨兰 |
|
|
18 |
熊敦陶 |
石油沟 |
4 |
分散供养特困人员 |
C级 |
否 |
熊勇 |
徐甜 |
|
|
19 |
钟玉兰 |
永寿村 |
8 |
分散供养特困人员 |
无房户 |
否 |
吕飞 |
张绍国 |
|
|
20 |
罗远学 |
巴联村 |
5 |
分散供养特困人员 |
C级 |
否 |
李小波 |
余洋 |
|

巴南区政府网