| [ 索引号 ] | 11500113009308394D/2022-00081 | [ 发文字号 ] | 双河口府发〔2022〕63号 |
| [ 主题分类 ] | 卫生、计划生育、妇女儿童 | [ 体裁分类 ] | 公文 |
| [ 发布机构 ] | 巴南区双河口镇 | [ 有效性 ] | |
| [ 成文日期 ] | 2022-08-08 | [ 发布日期 ] | 2022-08-16 |
重庆市巴南区双河口镇人民政府关于下达2022年第二批农村改厕任务的通知
各村民委员会:
根据区人居办、区财政局《关于下达2022年度巴南区农村人居环境整治项目计划的通知》(巴南人居办发〔2022〕15号)文件要求,结合我镇实际,在各村申报、镇审核的基础上,经镇党委政府同意,现将2022年度第二批农村改厕项目任务分解后下发给你们,并就有关事宜通知如下:
一、目标任务
涉及北隘口村、临江村、塘湾村、五台村,共计4个村28户农户无害化卫生厕建设(均为新建),在2022年9月15日前全部完成建设(具体详见附件1)。
二、补助标准
厕屋、化粪池分别按1200元/个标准补助给相关农户,镇不再另行追加相关补助费用。实行“先建后补、以奖代补”方式,由农户自建或自行委托工匠、施工队修建,在村和镇逐户验收合格后,向区城乡一体中心申请区级抽查验收,区级抽查验收合格后,待区拨付补助资金到位后,由镇据实划拨给各村,各村支付给农户。
三、建设要求
(一)建设方式
农户自建或自行委托工匠、施工队修建。
(二)严把工程质量关
采用现建式三格式户厕,严格执行相关建设规范(农村三格式户厕建设技术规范(GB/T38836-2020))。各村要加强施工技术指导,实施前由各村开展一次现场技术培训指导、逐一培训相关规范、要点(详见附加2、附件3),强化施工过程管理,确保安全文明施工。
(三)严把竣工验收关
改厕施工结束后,由镇和村社进行逐户验收,完成1户、验收1户,各村要张贴安全警示标志和厕所使用说明等。镇全部验收完成后统一上报区城乡一体中心,由区城乡一体中心组织区级抽查验收,若区级验收不合格的农户,镇将不予补助,所有建设费由农户自行承担。
四、有关要求
(一)落实工作责任。相关村要认真落实工作责任,明确工作计划和措施,做好宣传动员、技术培训、过程指导、质量监管、验收管理、使用指导、管护维护等环节工作。
(二)尊重群众意愿。做好改厕工作宣传,将改厕与改习惯和改环境结合起来,开展“厕所革命”进村入户宣传,动员老百姓积极主动参与改厕工作,充分尊重群众意愿,发挥群众的建设者和受益者作用,鼓励农户投工、投劳参与改厕工作,不得强制推进改厕,把提升群众的满意度作为改厕工作的出发点和落脚点,坚决把好事办好办实。
(三)严格台账管理。实行一厕一档台账管理,继续执行改厕个案台账,改厕完成后,要及时完善户厕改造现场逐户验收表(附件4)、户厕图片(附件5)等档案资料。
(四)建立长效管护机制。注重建管并重,积极建立多渠道的长效管护利用机制,建成后要加强农户的使用维护指导,确保使用科学、维护得当,发挥出改厕的应有成效。强化信息公开,将改厕名单、补助资金等在本村进行公示,在村务公开栏畅通群众投诉举报电话(双河口镇生态环保服务中心:62416626),接受群众、社会的监督和咨询。
附件:1. 2021年巴南区双河口镇农村改厕工作任务分解表
2.三格式化粪池建造图纸
3.三格式户厕建设标准
4.巴南区农村卫生厕所户厕照片资料
5.户厕改造现场逐户验收表
重庆市巴南区双河口镇人民政府
2022年8月8日
(此件公开发布)
附件1
2022年巴南区双河口镇农村改厕工作任务分解表
|
序号 |
村别 |
任务数(户) |
备注 |
|
1 |
北隘口村 |
1 |
|
|
2 |
临江村 |
8 |
|
|
3 |
塘湾村 |
6 |
|
|
4 |
五台村 |
13 |
其中5户只修化粪池 |
|
合计 |
28 | ||
附件2:
三格式化粪池建造图纸


样图 倒L型
附件3
三格式户厕建设标准
三格式户厕由厕屋、蹲(坐)便器、进粪管、三格化粪池等部分组成。按以下要求建造。
一、厕屋建设标准
三格式户厕的厕屋要求进院入室,厕屋整体结构完整、安全、可靠,有墙、有顶、有门、有照明、通风及防蚊蝇等设施,冲洗设施和标准便器,厕屋清洁、无臭、厕屋室内净面积≥1.2m2,墙面、地面应平整,地面进行硬化和防滑处理,并做好生活杂排水分流处理,独立式厕屋净高不小于2m且厕屋地面应高出室外地坪10cm以上。
二、三格化粪池建设标准
化粪池所选位置应确保安全,避开低洼和积水地带,远离地表水体,埋入地下,禁止在水体周边建造厕所,禁止粪液直接排入水体及公路两边的排水沟。
1.化粪池容积:化粪池的有效容积应保证粪便的贮存时间不少于标准的要求,第一池不少于20天,第二池不少于10天,第三池不少于一二池有效停留时间之和。使用人数在三人及以下的,有效容积不得小于1.5 m3。化粪池深度:有效深度不少于1米,建设深度要达到1.2米(化粪池缘距池底的深度)。
2.进粪管安装:进粪管上端与便器下口相接、固定,下端通向第一池,内部光滑、内径不小于10cm、铺设坡度不小于20%,水平距离不宜超过3m,水平距离大于3m时,应适当增加铺设坡度。
3.过粪管安装:过粪管应安装在两堵隔墙上,选用内径10厘米PVC管,并设置成倒L型。其中第一池到第二池过粪管下端(即粪液进口)位置在第一池的下1/3处,过粪管上沿距池顶10cm;第二池到第三池过粪管下端(即粪液进口)位置在第二池的中部1/2处,过粪管上沿距池顶10cm,两个过粪管应交错设置。
4.排气管安装:三格式化粪池必须在第一池安装排气管,内径≥10cm,靠墙固定安装,排气管设置高度应超过厕屋屋檐50cm,当化粪池设置在其他隐蔽部分时,应高出地面不小于2m,排气管顶端必须设置伞状防雨帽或T形三通。
5.防渗漏要求:三格化粪池内侧必须防渗处理,格池之间无渗漏、整个池体无内、外渗漏现象,建成后应经防渗检验,即加满水观察24小时,其水位的减少,以不超过1cm为合格。
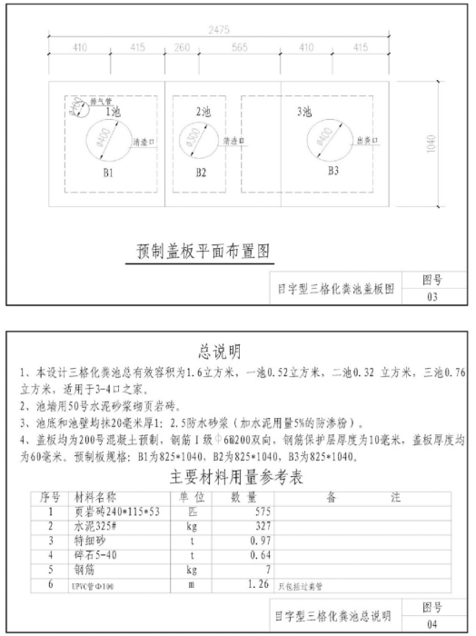
6.盖板安装:三格化粪池要用水泥捣制的盖板密封处理,盖板厚度厚度不小于6cm,盖板必须留有一、二、三池清渣口、取粪口并加盖板密封,直径不应小于200mm。三格式化粪池顶部应设置清渣口和清粪口,直径不应小于20cm,第三池清粪口可根据清掏方式适当扩大。
7.防雨处理:化粪池的上沿要高出地面10cm,防止雨水流入。
9.化粪池要设置安全警示标识并编号管理。
三、三格化粪池厕所使用操作要求
启用:正式启用前在第一格池内注入100~200L水,水位应高出过粪管下端口。
清掏:半年至1年要清渣,粪渣与粪皮应经高温堆肥或化学法进行无害化处理。
安全:化粪池盖板要预留出粪口并盖严。
分流:洗涤和厨房污水等生活杂排水不宜排入化粪池。
改厕注意事项:1.在推进改厕中,一、二池清渣口、三池清粪口,请适当高于盖板5cm以上,防止雨水进入化粪池。2.第三池溢粪管问题。凡第三池溢粪管直排环境的,不得安装溢粪管,引导农户从第三池取粪液用于农业生产。3.排气管问题,排气安装应不影响村容村貌,尽量靠墙固定安装(可以靠近厕屋,安装在进粪管上,高于屋檐50cm)。新建户厕按此执行。4.化粪池大盖板应密封处理,一二三池清渣口暂不密封(可用标号低的砂浆处理,便于各级检查开启);5.大盖板厚度应为6厘米;6.务必设置请渣口、清粪口,排气管;7.化粪池埋入地下。
附件4
巴南区农村卫生厕所户厕照片资料
|
贴厕屋相片处 |
摄影地点: 摄影时间: 摄影者:
|
贴三格化粪池相片处 |
摄影地点: 摄影时间: 摄影者:
备注:此表一式两份,镇、村各保存一份。
附件5
户厕改造现场逐户验收表
镇(街道) 村(社) 小组
户主姓名 |
|
验收日期 |
| |||
身份证号码 |
|
联系电话: | ||||
使用人数 |
|
施工单位/人员 |
| |||
建设类型 |
□农户自建□施工方统一建设 |
建设类型 |
□三格式户厕 □沼气池式户厕 □双瓮(格)式户厕 □集中下水道收集户厕 □其他 | |||
项目内容 |
考核指标 |
综合评价 | ||||
一般要求 |
1.户主身份确认 |
与改厕台账户主信息一致 |
□是 □否 | |||
2.选址 |
避开低洼和积水地带,远离地表水体。 |
□是 □否 | ||||
3.标识标牌 |
有安全警示标识和编号 |
□是 □否 | ||||
4.使用说明 |
显眼位置有户厕使用说明 |
□是 □否 | ||||
5.杂排水 |
洗涤和厨房污水等生活杂排水未排入户厕 |
□是 □否 | ||||
三格式户厕 |
1.格池 |
格池之间无渗漏,整个池体无内、外渗漏现象 |
□是 □否 | |||
2.容积及容积比 |
有效容积≥1.5 m3,各池容积比宜为2:1:3 |
□是 □否 | ||||
|
一池m3;二池m3; 三池m3 | ||||||
3.排气管 |
安装在第一池,内径不宜小于10cm,靠墙固定安装,高于厕屋屋檐50cm。设置在隐蔽部位时,应高出地面不小于2.0m。顶部安装有伞状防雨帽或“T”形三通 |
□是 □否 | ||||
4.过粪管 |
内壁光滑,内径不应小于10cm,设置成I或倒L型。连接第一池至第二池的过粪管入口距池底高度应为有效容积高度的1/3,过粪管上沿距池顶不宜小于10cm,第二池至第三池的过粪管入口距池底高度应为有效容积高度的1/2,过粪管上沿距池顶不宜小于10cm。两个过粪管交错设置 |
□是 □否 | ||||
5.进粪管 |
内壁光滑,内径不应小于10cm,应避免拐弯,减少管道长度。坡度不宜小于20%,水平距离不宜超过3.0 m;水平距离大于3.0 m时,适当增加铺设坡度 |
□是 □否 | ||||
6.清渣口、清粪口 |
加盖,直径不应小于20cm,高出地面不小于10cm。第三池清粪口易于开启和关闭,平时密闭。清渣口或清粪口大于25cm时,口盖有锁闭或防坠装置 |
□是 □否 | ||||
7.池盖 |
严格密闭 |
□是 □否 | ||||
8.外漏铁件 |
有防锈处理 |
□是 □否 | ||||
|
土石方 |
1.盖板 |
现浇钢筋混凝土盖板厚度≥6cm |
□是 □否 | |||
2.混凝土构建 |
平整光滑且无蜂窝面 |
□是 □否 | ||||
3.池壁、池体 |
无干裂或裂缝,池体无沉降 |
□是 □否 | ||||
卫生洁具 |
1.便器 |
便器选择符合当地居民的日常生活习惯 |
□是 □否 | |||
|
2.便器和冲水量 |
冲水量和水压满足冲便要求,宜采用微水冲等节水型便器 |
□是 □否 | ||||
3.防臭 |
便器排便孔或化粪池进粪管末端有防臭措施 |
□是 □否 | ||||
厕屋 |
1.结构 |
完整、安全、可靠 |
□是 □否 | |||
2.尺寸 |
净面积不小于1.2 m2,独立式厕屋净高不小于2.0 m |
□是 □否 | ||||
3.内部构造 |
有墙、有顶、有门、有照明、通风及防蚊蝇等设施,墙面平整,地面平整、硬化、防滑;独立式厕屋地面高出室外地面10cm以上 |
□是 □否 | ||||
农户意见 |
满意度认可书户主姓名:(按拇印)本人对本次改厕感到 □满意 □基本满意 □不满意(请选择)不满意的原因是 | |||||
|
村级验收 |
验收组人员(签字): 年 月 日 | |||||
|
镇级验收 |
验收组人员(签字): 年 月 日 | |||||
|
户主签名 |
|
施工单位负责人签名 |
| |||

巴南区政府网